Der Unun-Balun neu gedacht
Vorgeschichte: Vor wenigen Jahren hatte Hans-Peter DL9EAC und ich, Jürgen DB7JD, einen Artikel verfasst und an eine bekannte Fachzeitschrift mit der Bitte um Veröffentlichung geschickt. Dort schien man kein Interesse daran zu haben. Trotz Nachfrage haben wir nichts mehr von der Zeitschrift gehört. So vergrault man Autoren!
Ich möchte das Thema aber noch einmal aufnehmen, weil ich inzwischen hochwertigeres Messequipment zur Verfügung habe. Die jetzigen Messungen bestätigen das bessere Übertragungsverhalten eines Baluns mit einer anderen Wickelmethode als bisher üblich. Ich fang noch einmal ganz von vorne an. Ein Balun besteht aus 2 Wicklungen,
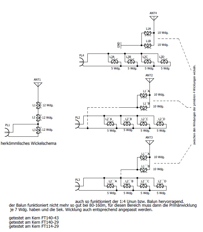
die Anzahl der Windungen zueinander bestimmt das Übersetzungsverhältnis. Üblicherweise werden die beiden Wicklungen ineinander gleichmäßig über dem Ferritkern verteilt. Meine Idee ist…um eine bessere Kopplung zwischen Primär und Sekundär-Wicklung zu erreichen die Primärwicklungen und Sekundärwicklungen mehrfach auszuführen und dann parallel zu schalten, um den Kern enger zu bewickeln um dadurch eine bessere Kopplung zu erreichen. Nachfolgende Bilder sollen das Wickelschema verdeutlichen.

Die Primärwicklungen werden nacheinander auf den Kern gewickelt und dann parallel geschaltet. Das gleiche wird mit der Sekundärwicklung gemacht, so liegt immer eine Windung der Primärwicklung neben der Sekundärwicklung. Diese Ausführung erfordert allerding höheren Aufwand bei der Herstellung. Wenn man sich vorstellt dass dieses Bauteil nur einmal hergestellt werden muss um dann in den nächsten Jahren hervorragend seinen Dienst zu erfüllen lohnt sich der Aufwand immer.

Was habe ich gemessen, wie habe ich gemessen? Das ist gar nicht so einfach einen vernünftigen Messaufbau zu errichten weil Ein-und Ausgang vom Balun unterschiedliche Impedanzen haben. Ich entschloss mich zwei gleiche Balun`s gegeneinander zu schalten, so hat der Eingang von dem einen Balun und der Ausgang vom zweiten Balun immer die gleiche Impedanz, was dazwischen liegt interressiert nicht weiter, vorausgesetzt die Übertrager sind annähernd gleich gewickelt. Ich habe um einen schnellen Messaufbau zu ermöglichen dazu kleine Testplatinchen angefertigt. Insgesamt 3 Varianten. FT114-43 Standardwickelschema, FT114-43 nach meiner Wickeltechnik und zum Vergleich das Kernmaterial 27 (etwas schwierig zu bekommen) FT114-27 nach meiner Wickeltechnik.

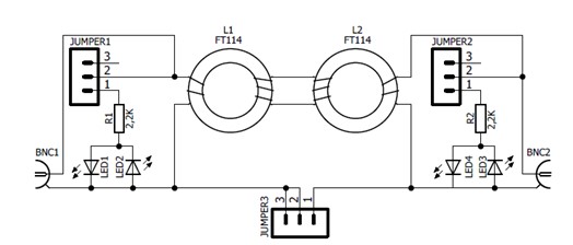
Schematic

dazu die passende Platine
…jeweils mit unterschiedlichen Kernen und Wicklungsarten um einen schnellen Vergleich zu ermöglichen. Die Led´s sollten im Betrieb die visuelle Funktion unterstützen wurde aber nie richtig getestet. Das funktioniert auch erst bei etwas höherem Input. Die Leds sind mit einem Jumper abschaltbar. Außerdem gibt es einen weiteren Jumper der die Masse vom Primärkreis mit dem Sekundärkreis Verbindet bzw. trennt. Dieser Übertrager verhindert bei galvanischer Trennung (Jumper 3 geöffnet) Mantelströme auf dem Antennenkabel.
Zum Messen stand das neue Magnova Oszilloskop mit eingebautem BodePlotter zur Verfügung. Außerdem habe ich die Frequenzgangmessungen mit einem selbstgebauten Rauschgenerator wiederholt.

Erklärung der Bauteile von links nach rechts: Abschlusswiderstand 50 Ω, Messauskopplung hinter dem Prüfling, Prüfling, Messauskopplung vor dem Prüfling und das Kabel vom BodePlotter bzw.- Rauschgenerator.

An den Farben der folgenden Messkurven kann man auf das getestete Objekt schließen: Unun FT114-43 mit Standardwickeltechnik „ROT“ Balun FT114-43 mit optimierter Wickeltechnik „BLAU“ Balun FT114-27 mit optimierter Wickeltechnik „GRÜN“



…wenn man sich die Kurven genau der 0 dB Linie anschaut erkennt man das die blaue Kurve den günstigsten Verlauf hat.

…die Resonanzstelle bei 24 MHz kann ich nicht erklären, bei den nachfolgenden Messungen mit Rauschgenerator ist sie nicht vorhanden. Alle drei Kurven und die nachfolgenden wurden unter den absolut gleichen Bedingungen durchgeführt. Ob hierbei die verwendeten Messkabel eine Rolle spielen kann ich nicht sagen oder mir das Orzilloskop einen Streich gespielt hat ist unbekannt oder ob der Messaufbau selber das Problem darstellt weiß ich nicht. Die Idee zur Untersuchung des Messaufbaus kam mir erst später, da wollte ich aber die Messungen nicht mehr wiederholen. Die Kabel spielen aber auf jeden Fall eine Rolle. Ein kurze Messung von unterschiedlichen Kabeln vom Rauschgenerator zum Testobjekt bestätigen das: am Testobjekt kommen mit einem Standard-RG58U Kabel, 2 Meter lang 188,5 mV an. Mit einem Standard RG58U Kabel, 1 Meter lang wurden 202,5 mV gemessen, 205 mV waren es mit einem 1,3 Meter langem Hyperflex 5-Kabel und 208,0 mV mit einem 1,0 Meter langen CLF200-Kabel. In den nachfolgenden Messkurven wird nur die FFT Funktion der Übertrager dargestellt, die Bode-Plotter Funktion vom Oszi funktioniert bei einer externen Signalquelle nicht.



Die Unterschiede sind gering aber immer zum Vorteil für die neue Wickelmethode. Die Diagramme kann man sich besser anschauen wenn sie in übergroßer Darstellung am PC ausgewählt werden. Als Ausdruck auf DIN A4 sind sie weniger aufschlussreich. Hiermit soll das Interesse angestoßen werden um selber mal Ideen einfließen zu lassen und um zu experimentieren. Der Vorteil dieser Wickelmethode liegt auf der Hand: Besseres Übertragungsverhalten beim Senden und beim Empfangen, zu höheren Frequenzen wird der Unterschied größer, insgesamt breiterer Frequenzbereich bis problemlos ins 2 Meter-Band, weniger Erwärmung vom Kern beim Senden, galvanische Trennung.
Im Anschluss wurde noch untersucht ob sich die unterschiedlichen Eigenschaften auch auf die Erwärmung der Kerne im Betrieb mit höherer Leistung auswirken, das Ergebnis ist schon interessant. Die Messungen wurden am Kenwood TS890S durchgeführt. Es wurde eine Leistung von 50 Watt in FM-Mode eingestellt. Hier wurde dann die Erwärmung der beiden Kerne (auf der Platine sind ja immer 2 Kerne gegeneinander geschaltet) gemessen. Abschlusswiderstand, muss wohl nicht erwähnt werden ist 50Ω. Die Raumtemperatur betrug 19,8 °C gemessen mit Fluke Multimeter 179 und zugehörigen Temperatursensor. Der Temperatursensor ist sehr kleiner Bauart und übernimmt sehr schnell die Temperatur vom Messobjekt. Auf jedem Ferritkern wurde ein Tropfen Wärmeleitpaste aufgebracht, der einen sicher Kontakt zwischen Messobjekt und Sensor sicherstellen soll.
| Kern + Typ | Dauer | Frequenz | Temp. 1ster Kern | Temp. 2ter Kern | Stromaufn.TS890S | Kommentar |
| FT43 Unun | 5 Min. | 24,95 MHz | 43,5°C | 38,0°C | 10,1A; 13,8 V | gut |
| FT43 Balun | 5 Min. | 24,95 MHz | 47,0°C | 44,5°C | 9,7A; 13,8V | ist ok |
| FT27 Balun | 5 Min. | 24,95 MHz | 58,0°C | 83,5°C | 10,4A;13,8V | na ja |
Jürgen Krüger, DB7JD
Eine Antwort auf „Der bessere Unun-Balun“
[…] war der Bericht auf der Webseite von „Lima 07“: „Der bessere Unun-Balun“. Hier habe ich eine Wickelmethode beschrieben und messtechnisch erfasst, dass dieser Balun weniger […]