…hierzu meint die KI: „Wat is dat denn“ ist Dialekt (häufig Plattdeutsch, Rheinisch oder Berlinerisch, aber auch in anderen Regionen mit „dat/wat“-Linie verbreitet) und bedeutet auf Hochdeutsch:
„Was ist das denn?“
Es handelt sich um eine neugierige oder erstaunte Frage, die oft verwendet wird, um mehr über einen Gegenstand oder eine Situation zu erfahren.
..es war nur ein Drahtbruch zu einem Messkopf eines R&S Durchgangsleistungsmessers 25-525 MHz – Typ NAUS. Also eine andere Art eines SWR-Meters. Ich war von dem aufwendigen Aufbau dieses zig Jahrzehnte alten Messgerätes überrascht. Ich konnte nicht wiederstehen und habe das Teil mal aufgeschraubt.
Das Messgerät stammte aus einem Nachlass. Ein Problem mit dem über einem fest montierten Kabel verbundenen Messgerät begleitete mich immer schon. Es war eindeutig ein Wackelkontakt. MeinVorgänger muss dieses Problem schon gehabt haben denn das Kabel war an der Kabeleinführung zum Messkopf mit einem starren Eisendraht zusätzlich fixiert worden. Von der Reparatur habe ich mich vor Jahren erst einmal gescheut. Der Messkopf hat zig Schrauben. Unter der sichtbaren Blechabdeckung befindet sich noch ein HF-dichtes Metall-Gehäuse, auch wieder Schrauben, dann erst mal nicht auseinanderbauen…aber heute war es dann soweit, ich hatte die nötige Lust dazu.
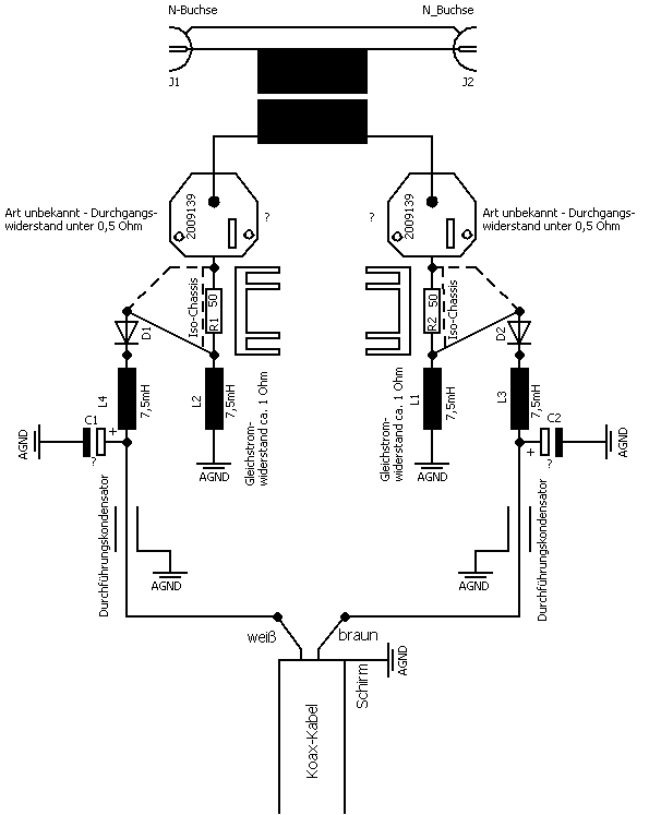
…das erwartete mich als ich das Blechgehäuse und das erste Anschirmblech abgeschraubt hatte. Das Kabel hatte direkt an der Einführung das Problem das sich das Abschirmgeflecht komplett aufgelöst hatte und zerbröselt war. Hier im Foto schon mit neu angesetztem Kabel.…neben dem Deckel hatte der Kopf oben und unten weitere Abschirmungen…oben im Bild wurde sie schon entfernt. Der Durchgangsmesskopf besteht „nur“ aus 2 sich gegenüberstehenden Buchsen (kein N-Typ…Art unbekannt, wurde mit Adaptern auf N verjüngt) und einer Messingplatte. Galvanisch davon getrennt die gleiche Platte für die Messauskopplung. Von da aus geht es oben und unten auf gleiche Schaltungsteile.2009139 achteckige Platine…die Funktion von diesem Bauteil kenn ich nicht, evtl. Stripeline-Technik mit zusätzlicher winzigen Spule, mit Ohmmeter gemessen = 0 Ohm; oder einfach nur abgescirmte HF-Leitung? …von da aus auf einen 50 Ohm-Schipwiderstand auf einem isolierten Kühlblech. die nachfolgende Induktivität hatte ich hier zum Ausmessen abgelötet. Was man nicht sehen kann ist die durch eine Gehäusebohrung von unten angelötete Diode. Es war einfach nicht festzustellen ob die Diode vor oder hinter dem Schipwiderstand verlötet ist.…das ist die abgekupferte Schaltung...hier aus einer andereren Perspective.…die Dioden sieht man nicht, davor 4 Induktivitäten und 2 Elkos, ohne aufgedruckte Werte. Ich vermute das es sich um 4 Induktivitäten handelt…Messungen ergaben einen Gleichstromwiderstand von ca. 1 Ohm und eine Induktivität von 7,5 mH.…das habe ich gemessen.…in der Mitte des Bildes kann man hinter der Lötfahne die Diode erahnen.…beide Seitenabschirmungen wurden wieder montiert.…wieder Fertig!…recht unspektakulär.…endlich alles wieder Ok, hätte ich schon viel früher machen sollen!
We use cookies on our website to give you the most relevant experience by remembering your preferences and repeat visits. By clicking “Accept All”, you consent to the use of ALL the cookies. However, you may visit "Cookie Settings" to provide a controlled consent.
This website uses cookies to improve your experience while you navigate through the website. Out of these, the cookies that are categorized as necessary are stored on your browser as they are essential for the working of basic functionalities of the website. We also use third-party cookies that help us analyze and understand how you use this website. These cookies will be stored in your browser only with your consent. You also have the option to opt-out of these cookies. But opting out of some of these cookies may affect your browsing experience.
Necessary cookies are absolutely essential for the website to function properly. These cookies ensure basic functionalities and security features of the website, anonymously.
Cookie
Dauer
Beschreibung
cookielawinfo-checkbox-analytics
11 months
This cookie is set by GDPR Cookie Consent plugin. The cookie is used to store the user consent for the cookies in the category "Analytics".
cookielawinfo-checkbox-functional
11 months
The cookie is set by GDPR cookie consent to record the user consent for the cookies in the category "Functional".
cookielawinfo-checkbox-necessary
11 months
This cookie is set by GDPR Cookie Consent plugin. The cookies is used to store the user consent for the cookies in the category "Necessary".
cookielawinfo-checkbox-others
11 months
This cookie is set by GDPR Cookie Consent plugin. The cookie is used to store the user consent for the cookies in the category "Other.
cookielawinfo-checkbox-performance
11 months
This cookie is set by GDPR Cookie Consent plugin. The cookie is used to store the user consent for the cookies in the category "Performance".
viewed_cookie_policy
11 months
The cookie is set by the GDPR Cookie Consent plugin and is used to store whether or not user has consented to the use of cookies. It does not store any personal data.
Functional cookies help to perform certain functionalities like sharing the content of the website on social media platforms, collect feedbacks, and other third-party features.
Performance cookies are used to understand and analyze the key performance indexes of the website which helps in delivering a better user experience for the visitors.
Analytical cookies are used to understand how visitors interact with the website. These cookies help provide information on metrics the number of visitors, bounce rate, traffic source, etc.
Advertisement cookies are used to provide visitors with relevant ads and marketing campaigns. These cookies track visitors across websites and collect information to provide customized ads.