…S11 und S21 Messungen…dahinter verbirgt sich eine simpele Erklärung!
S11 und S21 Messungen sind Impedanz und Reflexionsmessungen z.B. an Antennen oder in sogenannten Netzwerken. Wobei S11-Messungen Ein-Tormessungen (Eingangsreflexionsfaktor) sind und S21-Messungen 2 Tor-Messungen (Ausgangsreflexionsfaktor) sind. Mit den günstigeren, oft Handheld Messgeräten können nur einfachere Messungen durchgeführt werden. Die Handhabung ist oft umständlich weil nach jedem neuen Messaufbau eine Kalibrierung durchgeführt werden sollte, dazu ist immer ein Kalibrier-Kit nötig. Im Profimessbereich findet die Kalibrierung nur einmal statt, Anschlusskonfigurationen können abgespeichert werden oft auch unterstützt von externen Computerprogrammen. Es gibt VNA-Analysatoren mit 2 Port und 4 Ports. Sie können serienmäßig alle S-Parameter messen, hinzu kommen Grenzwert, Restwelligkeit und noch vieles mehr…viele Messmöglichkeiten müssen als Option dazugekauft werden. Diese Messgeräte kosten gerne schon mal eine 5 stellige Summe.
Das Zubehör wird oft unterschätzt. Hier müssen die oft vernachlässigten Kabel von besonderer Qualität sein. Die Kabel müssen flexibel, so kurz wie möglich und mit doppelter Abschirmung sein. Das „alte“ RG58 eignet sich nicht gut dafür. In Vorausschau auf die Zukunft mit zu erwartenden anspruchsvolleren Messwünschen sollte man sich direkt für das beste Kabel entscheiden das bezahlbar ist. Auch die Wahl des richtigen Anschlusssteckers ist besondere Aufmerksamkeit zu widmen. Jetzt kann man sich für jeden Anwendungsfall ein eigenes Kabel mit entsprechendem Stecker zur Verfügung halten, abgesehen noch von den Kabeln mit unterschiedlichen Längen. Der SMA-Stecker bietet gute HF-Eigenschaften. Ich verwende für die Messkabel ausschließlich SMA bestückte Kabel mit ausreichender Anzahl von Adaptern. Ein ganz tolles Kabel ist das LL142 mit 4,95mm Durchmesser…kostet aber z.Z. 46,75 € der Meter und ist relativ steif. Ich verwende Enviroflex 316_D mit 3,16mm Durchmesser…kostet z.Z. 8,68 € der Meter. Kleiner Wermutstropfen: viele Lieferanten liefern erst ab 20 Meter! So das muss jetzt aber reichen, dann steht man nicht mehr ganz so dumm da, wenn es um S11 und S21-Messungen geht.
Mit einer anderen Wickelmethode ist das Übertragungsverhalten eines Baluns zu verbessern, bisher aber nur eine Idee. Wie man sich einen vielseitigen Balun im Baukastenprinzip selber zusammenstellen kann, möchte ich gerne hier berichten.
…ich arbeite dran…Hobby macht Spaß!
Vorangegangen war der Bericht auf der Webseite von „Lima 07“: „Der bessere Unun-Balun“. Hier habe ich eine Wickelmethode beschrieben und messtechnisch erfasst, dass dieser Balun weniger Verluste hat und die Übertragungsbandbreite größer ist, der Frequenzbereich wurde mit dieser anderen Wickelmethode nach oben erheblich erweitert.
Aus diesen vorangegangenen Messungen folgerte ich das es zu Problemen kommt wenn man den Spulendraht beim Bewickeln nicht gleichmäßig über den Kern verteilt, sondern wie bei Baluns mit größerem Übersetzungsverhältnis schon mal gern gemacht wird, die Wicklungen nacheinander auf den Kern aufbringt. Das beste Ergebnis hinsichtlich der Laufzeiten im Kern ist wenn man die Spulen, wir betrachten Primär-und Sekundärwicklung, am besten übereinander oder ineinander aufbringt. Jetzt habe ich messtechnisch erfasst das wenn man z.B. vier parallelgeschaltete Wicklungen (je 7 Wdg.) nacheinander auf den Kern aufbringt (4 Primärwicklungen!) um dann nacheinander 2 Wicklungen bestehend aus 13-14 Wdg. nacheinander zwischen den bereits aufgebrachten 4 Wicklungen verteilt und auch diese beiden Wicklungen wieder parallelschaltet eine besonders gute Kopplung erreicht. Das folgende Bild soll das verdeutlichen:
Es entsteht eine sehr gute Magnetisierung mit wenig Laufzeiten und sehr guter Kopplung zwischen den Spulen. Allerdings hat diese Wickelmethode in der praktischen Anwendung seine Grenzen. Am besten funktioniert das bei einem Balun mit einem Übersetzungsverhältnis von 1:4. Bei anderen Übersetzungsverhältnissen gibt es aber Schwierigkeiten beim optimalen Verteilen von Primär- und Sekundärkreis. Ich habe diesbezüglich aber keine Versuche unternommen. Mich haben die Versuchsaufbauten mit dem 1:4 Balun schon zeitlich sehr lange beschäftigt. Hier ist also jeder einzelne bei Bedarf mit Ideenreichtum gefragt. Aber ich habe vielleicht eine Lösung für diese Misere gefunden – mit einer anderen Wickelmethode und einem ganz anderen Ansatz. Alles ist bisher nur eine Idee, wird aber in Kürze praktisch getestet. Ich habe da einen „gestackten“ Balun (zusammensteckbar / stapelbar) im Sinn, der je nach Übersetzungsverhältnis zusammengesteckt wird. Es handelt sich immer um das gleiche Bauteil, welches je nach Übertragungsverhältnis immer weiter ineinander gesteckt wird. Die Frage die jeder hat, der vor der Wahl des richtigen Balun steht und sich unsicher ist welches Übertragungsverhältnis für die Langdrahtantenne genau das Richtige ist, könnte damit gelöst werden. Mit der hier im Weiteren beschriebenen Methode sollte man das Problem sehr elegant lösen können. Das nachfolgende Bild soll das verdeutlichen. Je nach Bedarf werden mehrere Baluns ineinander gesteckt.
Ich bin ein bisschen weitergekommen, habe 2 Testplatinen geätzt und mir ein Stecksystem ausgedacht welches auch gut funktioniert.
Auf den Testplatinen ist Platz für 4 Baluns. Je nach Bedarf werden 1-4 Positionen bestückt. Die nicht benötigten Stecker werden mit einer Kurzschlussbrücke überbrückt. Eingang vom Funkgerät kommend ist eine BNC-Buchse, der Ausgang endet auf 2 Flachstecker 6,3 mm wie sie im Automotiv-Bereich Verwendung finden. Im nachfolgenden Bild ist mein Testaufbau zu sehen. Hier wurden 2 Platinen gegeneinander geschaltet um so am Ausgang mit einem 50 Ohm Abschlusswiderstand arbeiten zu können, was dazwischen passiert ist irgendwas von 50 Ohm oder höher. Da aber bei der Messung immer 2 gleich bestückte Platinen gegeinander geschaltet sind sollte sich das bei den Messungen mit unterschiedlichen Übertragungsverhältnissen nicht negativ auswirken. Das habe ich auch schon bei anderen Messungen so gemacht und ist ausreichend genau. Den Abschluss mit irgendwelchen ohmschen Widerständen zu machen ist eher unsicher. Letztendlich bestimmt die angeschlossene Antenne die richtige Funktion und die kann voller Tücken sein. Deshalb auch meine Idee zu den gestackten Übertragern, durch diese sollte eine gute Anpassung gelingen!
Bei Reichelt habe ich mir ein Stecksystem bestellt was meinen Ansprüchen genügt mit dem ich ausreichend flexibel bin: Die Bauteile sind von MOLEX: MOLEX 39281103, MOLEX 39012100 + MOLEX 39000066, kosten zusammen ca. 16 €. Bei dem Bewickeln der Baluns habe ich gespart, was sich als Fehler rausstellte. Ich habe hier ein spartanische Wickelmethode realisiert: Jeder Balun besteht aus einer primär-und einer sekundär Wicklung mit je 7 Windungen. Die Wicklungen sind eng aneinander liegend auf engstem Raum auf einen FT114-43 Kern gewickelt. Ich erhoffte dadurch eine besonders gute Kopplung zwischen primär-und sekundär Kreis zu bekommen. Das ist aber nur zum Teil so. Erste Messungen haben ergeben das der gestackte Balun sehr gut funktioniert, der Balun ist aber nicht sehr breitbandig. Ich hätte die Wicklungen gleichmäßig über den Kern verteilen müssen bzw. meine Spezialwickelmethode anwenden sollen, wie in einem anderen Artikel beschrieben. Ich versuche das noch zu korrigieren, es werden noch weitere Experimente folgen. Das Bewickeln der Baluns mit 1,0 mm Draht hat keine 2 Stunden gedauert, danach taten mir aber die Finger weh, ein dünnerer Draht wäre für dieses Experiment sinnvoller gewesen…hatte ich aber nicht. Beim Nachbauen mit dem Steckersysetem von MOLEX sind einige Sachen zu beachten, die bestellten Hülsen von MOLEX sind an sich zum Verpressen gedacht wurden aber von mir nur angelötet. Das ist überhaupt kein Problem. Man muss aber die Hülsen in der richtigen Position anlöten weil sie sich nur in einer Richtung in den Stecker einführen lassen, einmal drin ist vorbei. Ohne passendes Ausdrückwerkzeug bekommt man die Dinger nicht mehr raus. Die nachfolgenden Bilder sollen das Problem verdeutlichen.
…in dieser Position krallen sich die Hülsen im Stecker fest.…die Anschlussdrähte dürfen ruhig ein bisschen länger sein als wie sie auf dem Bild zu sehen sind. Die Hülsen tauchen sehr tief in den Stecker ein…da kann ein zu kurzer Draht zum Problem werden, bei mir ging es gerade so!
Die Messungen werde ich später nachlegen. Meine Erwartungen an dieser Art von Balun haben sich aber erfüllt und ich glaube/hoffe das noch großes Potential für Verbesserungen vorhanden ist…eine davon ist die Wickelmethode anpassen! Soviel hat sich aber bei den ersten einfachen Messungen mit dem Oszilloskop zwischen 10 MHz und 25 MHz gezeigt: ein fast linearer Frequenzgang mit fast keinen Verlusten und das bei einem Messaufbau von 2 in Reihe geschalteten Systemen. Unter 10 MHz und über 25 MHz nehmen die Verluste allerdings zu und sind als Pegelverlust im Oszillogramm direkt festzustellen.
1 Tag später…die Messungen liegen vor. Allerdings war ich mit der bewicklung der Kerne nicht ganz einverstanden…der nutzbare Frequenzbereich liess zu wünschen übrig. Also früh aufgestanden und alle 8 Kerne neu bewickelt. Jetzt wurden auf dem FT114-43 Kern 10 Windungen primaär und 10 Windungen sekundär aufgebracht. Wie sich bei den folgenden Messungen aber zeigte bin ich mal wieder über das Ziel hinausgeschossen. Der Frequenzbereich geht jetzt deutlich unter 500 kHz und bis über 40 Mhz. Mit 8 Windungen sollte dann der komplette Bereich auch bis 50 MHz funktionieren…aber das muss jetzt reichen, mir tuen die Finger weh vom Bewickeln. Und was sich noch herausgestellt hat ist das man eine möglichst gleichmässige Bewicklung aller Kerne anstreben sollte. Ich hatte bei den Messungen Frequenzeinbrüche und konnte mir keinen richtigen Reim darauf machen. Erst als ich jeden Balun einzeln auf das Übertragungsverhalten durchgemessen hatte war klar das sich ungleich bewickelte Kerne gegenseitig beeinflussen…jetzt aber zum Messaufbau:
…zwei komplett bestückte Stack-Baluns gegeneinander geschaltet. Von rechts nach links: die Einspeisung vom RF-Signalgenerator mit 0 dBm, Messauskopplung vor dem Balun, 1ter + 2ter Stack-Balun, Messauskopplung hinter den Baluns, nicht mehr sichtbar der 50 Ohm Abschlusswiderstand. Die Farbe der Tastköpfe entsprechen auch den Farben der einzelnen Kurven in der Darstellung auf dem Oszilloskop. In der Mitte ist eine Probe mit blauer Kennzeichnung angeklemmt, das ist die Sekundärwicklung des Baluns.…2 x 10 Windungen nebeneinander, das ist der neugewickelte Balun mit dem die folgenden Messungen erzeugt wurden.…hier sind nur 2 Baluns bestückt, nicht bestückte Plätze müssen mit einer Drahtbrücke überbrückt werden.…oder auch nur eine bestückte Position. Die beiden weißen Verbindungdrähte sind dann in der Praxis die Primärseite. Hier noch potential getrennt…man kann aber problemlos auch eine Seite mit an Masse legen, dann ist das Teil unsymmetrisch, und die Antenne selber ist dann über das Koaxielkabel geerdet.…das war die erste Messung des Übertragungsverhalten mit einem breitbandigen Rauschen aus einer Rauschquelle…da wusste ich aber noch nicht das ein Balun eine kalte Lötstelle hatte.…das sieht schon besser aus!…Aufgenommen wurde die Kurve mit der PodePlot-Funktion des Magnova Oszilloskops. Eingestellt war: 1,0 MHz -60 MHz, 2Vpp. Mit diesen Einstellungen sind auch die folgenden Kurven entstanden. Die blaue Kurve zeigt immer das Phasenverhalten.…Übertragungskurve mit 3 bestückten Baluns.…Übertragungskurve mit 2 bestückten Baluns.…und hier die Übertragungskurve mit einem bestückten Balun.…Übertragungsverhalten bei 3,5 MHz, gelb = Eingang, rot = hinter den beiden Baluns, blau = Signal an der Primärseite – hier zwischen den beiden Baluns gemessen.…Übertragungsverhalten bei 28,0 MHz.
Ergebnis: Dieser Balun funktioniert. Wie er sich in der Praxis bewährt muss sich aber erst noch zeigen. Alle Messungen sind nach bestem Gewissen und vorhandenem Wissen gemacht worden, Fehler sind deshalb nicht auszuschließen. Vielen Dank für deine Aufmerksamkeit.
…hierzu meint die KI: „Wat is dat denn“ ist Dialekt (häufig Plattdeutsch, Rheinisch oder Berlinerisch, aber auch in anderen Regionen mit „dat/wat“-Linie verbreitet) und bedeutet auf Hochdeutsch:
„Was ist das denn?“
Es handelt sich um eine neugierige oder erstaunte Frage, die oft verwendet wird, um mehr über einen Gegenstand oder eine Situation zu erfahren.
..es war nur ein Drahtbruch zu einem Messkopf eines R&S Durchgangsleistungsmessers 25-525 MHz – Typ NAUS. Also eine andere Art eines SWR-Meters. Ich war von dem aufwendigen Aufbau dieses zig Jahrzehnte alten Messgerätes überrascht. Ich konnte nicht wiederstehen und habe das Teil mal aufgeschraubt.
Das Messgerät stammte aus einem Nachlass. Ein Problem mit dem über einem fest montierten Kabel verbundenen Messgerät begleitete mich immer schon. Es war eindeutig ein Wackelkontakt. MeinVorgänger muss dieses Problem schon gehabt haben denn das Kabel war an der Kabeleinführung zum Messkopf mit einem starren Eisendraht zusätzlich fixiert worden. Von der Reparatur habe ich mich vor Jahren erst einmal gescheut. Der Messkopf hat zig Schrauben. Unter der sichtbaren Blechabdeckung befindet sich noch ein HF-dichtes Metall-Gehäuse, auch wieder Schrauben, dann erst mal nicht auseinanderbauen…aber heute war es dann soweit, ich hatte die nötige Lust dazu.
…das erwartete mich als ich das Blechgehäuse und das erste Anschirmblech abgeschraubt hatte. Das Kabel hatte direkt an der Einführung das Problem das sich das Abschirmgeflecht komplett aufgelöst hatte und zerbröselt war. Hier im Foto schon mit neu angesetztem Kabel.…neben dem Deckel hatte der Kopf oben und unten weitere Abschirmungen…oben im Bild wurde sie schon entfernt. Der Durchgangsmesskopf besteht „nur“ aus 2 sich gegenüberstehenden Buchsen (kein N-Typ…Art unbekannt, wurde mit Adaptern auf N verjüngt) und einer Messingplatte. Galvanisch davon getrennt die gleiche Platte für die Messauskopplung. Von da aus geht es oben und unten auf gleiche Schaltungsteile.2009139 achteckige Platine…die Funktion von diesem Bauteil kenn ich nicht, evtl. Stripeline-Technik mit zusätzlicher winzigen Spule, mit Ohmmeter gemessen = 0 Ohm; oder einfach nur abgescirmte HF-Leitung? …von da aus auf einen 50 Ohm-Schipwiderstand auf einem isolierten Kühlblech. die nachfolgende Induktivität hatte ich hier zum Ausmessen abgelötet. Was man nicht sehen kann ist die durch eine Gehäusebohrung von unten angelötete Diode. Es war einfach nicht festzustellen ob die Diode vor oder hinter dem Schipwiderstand verlötet ist.…das ist die abgekupferte Schaltung...hier aus einer andereren Perspective.…die Dioden sieht man nicht, davor 4 Induktivitäten und 2 Elkos, ohne aufgedruckte Werte. Ich vermute das es sich um 4 Induktivitäten handelt…Messungen ergaben einen Gleichstromwiderstand von ca. 1 Ohm und eine Induktivität von 7,5 mH.…das habe ich gemessen.…in der Mitte des Bildes kann man hinter der Lötfahne die Diode erahnen.…beide Seitenabschirmungen wurden wieder montiert.…wieder Fertig!…recht unspektakulär.…endlich alles wieder Ok, hätte ich schon viel früher machen sollen!
hier möchte ich meine Erfahrung mit euch teilen die ich beim Zusammenbau gemacht habe. Es handelt sich um einen fast kompletten Bausatz von PE1JPD und VK2VD.
…beim Clubtreffen wurden wir von Ingo DO6IL gefragt wer Interesse an einen 23cm Transceiver-Bausatz hätte, er würde in Kürze bestellen. Da das Zeugs aus Australien kommt würde es klug sein direkt mehrere dieser Bausätze zu bestellen. Ich brauchte nicht lange zu überlegen, Juchhuu wieder was zu basteln. Der Bausatz lässt sich problemlos zusammenbauen aber es gibt Besonderheiten. Man sollte schon Kenntnisse von Elektronik haben, eine ruhige Hand beim Löten der recht kleinen SMD-Bauteile, ein Multimeter um die Bauteile vor dem Einbau zu testen, sind Vorausstzungen. Hier fängt es schon an, es liegen mehr Bauteile dem Bausetz bei wie Platz dafür auf der Platine vorgesehen ist, das ist aber richtig so! Im Stromlaufplan ist ein Filter für den 1750Hz Ton gezeichnet welches auf der Platine nicht realisiert wurde, man tappt erst mal eine Zeit lang im Dunkeln. Hier muss man selber tätig werden. Es sind nur ein paar Bauteile zu verschalten das kann man freihändig machen…ich habe mich für eine kleine Platine entschieden. Der 1750 Hz Ton wird vom Prozessor zur Verfügung gestellt das ist unzulänglich dokumentiert, es gibt nämlich im Netz eine Beschreibung über unterschiedliche Versionen und da wechselt auch schon mal der Anschlusspin am Prozessor. Der Ton wird aktiviert indem man die PTT-Taste beim Senden kurz 2x betätigt, auch das ist schwierig in Erfahrung zu bringen, vielleicht wird das aber auch vorausgesetzt. Ich habe mich aber zusätzlich noch für einen externen 1750 Hz Generator mit Timer-IC NE555 (China) entschieden und das Layout für den 1750Hz-Filter um diesen Tongenerator erweitert. Ein Taster aktiviert bei Bedarf nun den Ton während ich sende. Parallel habe ich aber die Möglichkeit gelassen wie sie vom Entwickler vorgesehen war. Aber…in der Software kann man diese Funktion auch deaktivieren, und das ist etwas mühsam durch mehrere Menüs zu navigieren bis man diesen Menüpunkt gefunden hat. So bin ich mit dem externen 1750 Hz-Tongenerator flexibler. Ein Lautsprecher muss man selber dabei steuern. Auch habe ich alle Verbindungen die die Platine verlassen, dazu gehören u.a. Display, Drehgeber, Poti, Mikrofonbuchse, Leds steckbar gemacht. Die Pfostensteckverbinder wie sie auf dem Photo zum Bausatz abgebildet sind liegen nicht bei, hier ist „Reichelt“ gefragt. Die Bauanleitung beschreibt recht genau die Inbetriebnahme. Man sollte sich vielleicht vor der Bestellung die Anleitung aus dem Netz fischen um sicher zu stellen das man dem gewachsen ist. Mir hat es geholfen das ich einen Icom IC9700 als „Kontrollinstrument“ hatte. Alle Abgleicharbeiten funktionieren so wie beschrieben. Während des Aufbaus stellt man sich die Frage: „was ist das denn für ein Bauteil, ist das genau der Transistor der hier eingelötet werden muss“. In der Dokumentation gibt es für alle Bauteile das passende Datasheet…habe ich leider erst zu spät festgestellt, Grins! Ich habe die Platine (Europakarte 160 x 100 mm) in ein Gehäuse meiner Wahl (ProMa 131 020, Conrad) eingebaut. Das ist leider etwas zu kurz, ich habe mir geholfen das ich 10mm Abstandsbolzen zur Frontplatte verwendete. Anfangs war ich über diese Lösung nicht sehr glücklich, inzwischen habe ich mich aber damit abgefunden und finde es gut. Dem Bausetz liegt ein „riesiges“ Display bei. Ein kleines Gehäuse dafür zu finden ist nicht möglich, also wo hin mit dem Display. Ich habe das Display ausgelagert und kippbar gemacht, sieht nicht so elegant aus ist aber extrem praktisch. Der Transceiver kann jetzt vor mir auf dem Werktisch liegen oder im Regal stehen, immer ist eine gut ablesbare Anzeige möglich. Ach ja Display…das ist meiner Meinung nach viel zu hell. Ein Vorwiderstand von 130 Ohm am Display-Lötpunkt „BLK“ brachte eine erträgliche Helligkeit. Ich habe mich für eine 8 polige Mikrofonbuchse entschieden wie sie von Icom und Kenwood benutzt wird. Und beide Schaltungsvarianten habe ich an die Buchse angeschlossen und die vertragen sich. Nun kann ich wahlweise mit den beiden Mikrofonen arbeiten. Ich darf aber nur ausschließlich den individuellen Mikrofonanschluss und die PTT-Taste an der 8 poligen Mikrofonbuchse realisieren, kein Lautsprecher oder andere Mikrofontasten wie UP-Down verschalten. Die kleine Filterplatine für den 1750 Hz Tonruf habe ich hochkant auf der Hauptplatine befestigt, da ist ausreichend Platz vorhanden. Dazu entferne ich mit einem Glasborsten-Radierer etwas Farbe an geeigneter Stelle von der Platine und löte dann Stützpunke auf die Kupferfläche auf. Ich wollte auf jeden Fall eine TX-Led und eine RX-Led, dafür habe ich 2 polige Pfostensteckverbinder auf die Platine geklebt und entsprechend verdrahtet.
…unterschiedliche Belegungen der 8 poligen Mikrofonstecker, ohne Gewähr.…es geht schon eng zu auf der Frontplatte, aber hier war noch Platz für eine Kopfhörer- und eine Lautsprecherbuchse. Die Shift-Taste aktiviert nicht die Relaisablage sondern schaltet nur die Anzeige auf die Empfangsfrequenz. Links daneben die Pilotton-Taste.…das neigbare Display.die Rückseite: Antennensanschluss, 12 Volt Stromversorgung, darunter eine 2,5mm Klinkenbuchse (um Verwechslungen mit der 3,5mm Kophhörer-Buchse zu vermeiden!) als Schaltausgang für eine externe Endstufe.…am Lötpunkt BLK wird von hinten der 130 Ohm Widerstand „eingeschleift“, der reduziert die Helligkeit.…da ist er, der Widerstand, war schwierig zu fotografieren.…ein Kabelverhau, rechts im Bild der Spannungregler IC11 soll angeblich sehr heiß werden, hält sich bei mir aber in Grenzen…zur Not kann er zur Kühlung dann ans Gehäuse geschraubt werden, war aber noch nicht nötig.…ein paar Bauteile müssen außerhalb der Plaine platziert werden, am oberen 3 poligen Steckverbinder ist Platz für einen externen Tongenerator.…die winzige Zusatzplatine für den 1750 Hz-Ton, + externem Generator, hier wird aus einem Rechtecksignal einer Sinussignal generiert, inkl. Pegelregler P4.…die kleine hochkant stehende Platine (Sicht auf die Kuoferseite) mit den beiden Trimmern ist das 1750Hz-Filter und der NE555-1750Hz Tongenerator (der komplette Generator ist kaum größer als der Trimmer)...zwei nachgerüstste steckbare Anschlüsse für Leds inkl. den Vorwiderständen...den Blick auf die Unterseite will ich nicht vorenthalten, die Platine ist in dem Gehäuse meiner Wahl jederzeit frei zugänglich.…auch der Lautsprecheranschluss wurde steckbar gemacht.…es geht ganz schön eng zu im Gerät, hier sind sehr schön die Führungen für die Platine zu sehen.
So das muss jetzt reichen, ich hoffe ich habe nichts Wichtiges vergessen zu erwähnen. Vielleicht habe ich das Interesse geweckt um sich selber mal mit so einem Bausatz zu beschäftigen. Viel Spaß!
Ringkerne berechnen…spielt die Temperatur des Kerns eine Rolle? Diese Frage werde ich in diesem Beitrag durch eigene Messungen versuchen zu beantworten.
…immer wieder das gleiche Problem: eignet sich der mir vorliegende Ringkern für einen Balun? Was ist das für ein Ringkern? In dem folgenden Beitrag habe ich diverse Informationen zusammengetragen um das Material aus dem der Kern besteht zu bestimmen. Dieser Beitrag stellt kein umfassendes Werk dar sondern bezieht sich auf persönliche Erfahrungen mit diversen Kernen. Auch interessierte mich das Temperaturverhalten der Kerne: Verändert der Kern seine magnetischen Eigenschaften wenn er sich erwärmt, eine für den Funkamateur sehr wichtige Frage.
…neben den in Teil I dargestellten Messungen wird hier die Frage beleuchtet: …verändert sich das Verhältnis der Verluste im Balun bei unterschiedlichem Pegel, bisher wurde nur bei -37dBm gemessen.
Bisher betrachtete man den Balun nur immer beim Senden, aber wie wirkt er sich auf den Empfang aus und wie bestimmt die Größe des Ferritkerns die Eingangsempfindlichkeit.
Keine Modulation am Transceiver, was ist das denn schon wieder, bestimmt irgendeine Einstellung falsch…oder ist das Mike defekt, wie unterscheiden sich die Mikros im Klang untereinander…ein Testgerät für Mikrofone der Marken Icom, Yaesu und Kenwood muss her.
Der eigentliche Ideen-Auslöser für dieses Gerät war mein IC9700. Betreibt man das Gerät über LAN verstellt sich die Konfiguration im Gerät. Das Mikrofon am Gerät funktioniert dann nicht mehr.
…eine recht simple Elektronik um jede Art von Funkaussendung in naher Umgebung anzuzeigen. Die fertige winzige Baugruppe (aus China) bestückt mit einem AD8317 ist Hauptbestandteil von diesem Bastelprojekt.
Die Idee zu dieser ON-AIR Anzeige hat eine Vorgeschichte: Als ich vor wenigen Jahren draußen an meiner ersten Vertikal-Antenne auf dem Garagendach bastelte wurde ich von meiner Nachbarin angesprochen.
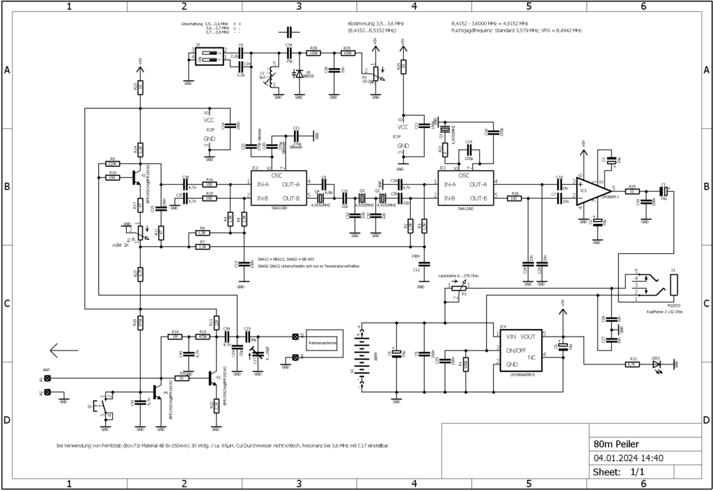
…hier stelle ich meinen Fuchsjagd-Empfänger mit Antenne vor. Die Schaltung habe ich von einer erprobten Variante aus dem Netz übernommen, ich meine aber das sie etwas empfindlicher sein könnte. Sie erfüllt ihren Zweck, vielleicht sollte man aber trotzdem noch eine zusätzliche Vorstufe mit berücksichtigen.
2m-Fuchsjagdempfänger und Antenne
…das ist der selbstgebaute Peil-Empfänger und die kompakte Fuchsjagdantenne. Ich habe auf bestehende Schaltungen zurück gegriffen, Ideen mit einfließen lassen und die Platine dazu entworfen. Selber ätzen kam diesmal, bei dem engen Aufbau, nicht mehr in Frage.
We use cookies on our website to give you the most relevant experience by remembering your preferences and repeat visits. By clicking “Accept All”, you consent to the use of ALL the cookies. However, you may visit "Cookie Settings" to provide a controlled consent.
This website uses cookies to improve your experience while you navigate through the website. Out of these, the cookies that are categorized as necessary are stored on your browser as they are essential for the working of basic functionalities of the website. We also use third-party cookies that help us analyze and understand how you use this website. These cookies will be stored in your browser only with your consent. You also have the option to opt-out of these cookies. But opting out of some of these cookies may affect your browsing experience.
Necessary cookies are absolutely essential for the website to function properly. These cookies ensure basic functionalities and security features of the website, anonymously.
Cookie
Dauer
Beschreibung
cookielawinfo-checkbox-analytics
11 months
This cookie is set by GDPR Cookie Consent plugin. The cookie is used to store the user consent for the cookies in the category "Analytics".
cookielawinfo-checkbox-functional
11 months
The cookie is set by GDPR cookie consent to record the user consent for the cookies in the category "Functional".
cookielawinfo-checkbox-necessary
11 months
This cookie is set by GDPR Cookie Consent plugin. The cookies is used to store the user consent for the cookies in the category "Necessary".
cookielawinfo-checkbox-others
11 months
This cookie is set by GDPR Cookie Consent plugin. The cookie is used to store the user consent for the cookies in the category "Other.
cookielawinfo-checkbox-performance
11 months
This cookie is set by GDPR Cookie Consent plugin. The cookie is used to store the user consent for the cookies in the category "Performance".
viewed_cookie_policy
11 months
The cookie is set by the GDPR Cookie Consent plugin and is used to store whether or not user has consented to the use of cookies. It does not store any personal data.
Functional cookies help to perform certain functionalities like sharing the content of the website on social media platforms, collect feedbacks, and other third-party features.
Performance cookies are used to understand and analyze the key performance indexes of the website which helps in delivering a better user experience for the visitors.
Analytical cookies are used to understand how visitors interact with the website. These cookies help provide information on metrics the number of visitors, bounce rate, traffic source, etc.
Advertisement cookies are used to provide visitors with relevant ads and marketing campaigns. These cookies track visitors across websites and collect information to provide customized ads.