Mit den Jungs auf der Jagd nach dem elektronischen Fuchs – eine ARDF Story
Eine Art Schnitzeljagd, denn dieser Begriff sagt den meisten Menschen mehr, ist in Amateurfunkkreisen die Fuchsjagd – ARDF Amateur Radio Direction Finding oder was im Falle dieser Story richtiger wäre – Foxoring.
Im Amateurfunk unterscheidet man bei den Spielarten der elektronischen Sendersuche die Fuchsjagd und das Foxoring. Bei der Fuchsjagd (heute sagen viele Menschen lieber ARDF – Amateur Radio Direction Finding) werden in einem geeigneten Gebiet, meistens einem Wald, 5 Sender verteilt, die es zu finden gilt.
…hier stelle ich meinen Fuchsjagd-Empfänger mit Antenne vor. Die Schaltung habe ich von einer erprobten Variante aus dem Netz übernommen, ich meine aber das sie etwas empfindlicher sein könnte. Sie erfüllt ihren Zweck, vielleicht sollte man aber trotzdem noch eine zusätzliche Vorstufe mit berücksichtigen.
2m-Fuchsjagdempfänger und Antenne
…das ist der selbstgebaute Peil-Empfänger und die kompakte Fuchsjagdantenne. Ich habe auf bestehende Schaltungen zurück gegriffen, Ideen mit einfließen lassen und die Platine dazu entworfen. Selber ätzen kam diesmal, bei dem engen Aufbau, nicht mehr in Frage.
Es findet wieder ein Peilwettbewerb im Revier statt, weitere Informationen unter Peilsport.de und auf https://ardf.darc.de/blackboard/l01.htm
Wettbewerbsankündigung
Distrikt Ruhrgebiet
Datum: Sonntag, 07.04.2024
Zeit: 10 Uhr: 80 m, 13 Uhr: 2 m
Treffpunkt: Parkplatz Leucht, Xantener Str. (L491) / Stappweg, Koordinaten: N 51.5379 E 6.5067
Anfahrt: Über A57, Abfahrt Alpen Nr. 6, auf die B58 Richtung Alpen fahren. Nach 300 m an der Ampel rechts abbiegen auf die Xantener Str. Richtung Rheinberg. Nach 3,3 km rechts in den Stappweg abbiegen, zum Parkplatz Leucht.
Hinweise: Zeiterfassung mit SPORTident. Start mit Startstation, freie Startzeitwahl alle 5 Minuten. Vorpeilen erlaubt. Gesucht werden jeweils 5 Peilsender. Die Limitzeit beträgt 120 Minuten. Bei genügender Teilnehmerzahl wird in Kategorien gewertet (W16-M80 bei min. 3 Teilnehmer pro Kategorie). Leihempfänger sowie SPORTident-Leihchips sind in begrenzter Anzahl vorhanden.
Sitzgelegenheit bitte selbst mitbringen, Verpflegung wird angeboten.
Organisation: Frank „Paule“ Baudisch, DF2JW, Tel. (01 75) 4 38 59 42; Claus Dieter Wittek, DF8QJ, df8qj AT darc.de
Am Sonntag den 22.10.2023 treffen sich einige Funkamateure des OV Kamp-Lintfort (L07) zum auffinden einiger Sender im 70cm Band. Der Schauplatz des Spektakels wird in diesem Fall das nahe gelegene Waldgebiet „Leucht“ im Norden von Kamp-Lintfort sein. Treffpunkt ist der große Parkplatz im westlichen Teil der Leucht, der erste Parkplatz auf der linken Seite aus Kamp-Lintfort kommend.
Zeitpunkt des Zusammentreffens ist etwa 10:00 Uhr, Ende der Aktivität ist, wenn alle Sender wieder eingesammelt sind.
Die Sender werden im gesamten westlichen Teil der Leucht versteckt sein, es wird eine gedruckte Karte mit eingezeichneten Bereichen der Senderstandorte geben, da die Sender wohl nicht alle von jedem Ort im Wald zu empfangen sind. Die „Füchse“ senden in zufälligen Abständen ihre Kennung aus.
Wer möchte bringt ein Smartphone mit, auf dem bereits die App „iOrienteering“ installiert ist. Sollte ich es zeitlich einrichten können, werden an den Senderstandorten QR-Codes zur Zeitnahme angebracht sein, die dann vom Läufer gescannt werden können. Dies ist kein Muss! Grundsätzlich kann jeder so schnell oder langsam laufen wie er will. Es dient rein dem Zweck die Zeitnahme zu testen.
Auch bei dieser Aktion gilt: Gäste sind herzlich Willkommen! Auch ohne Peilausrüstung kann gerne mitgelaufen werden.
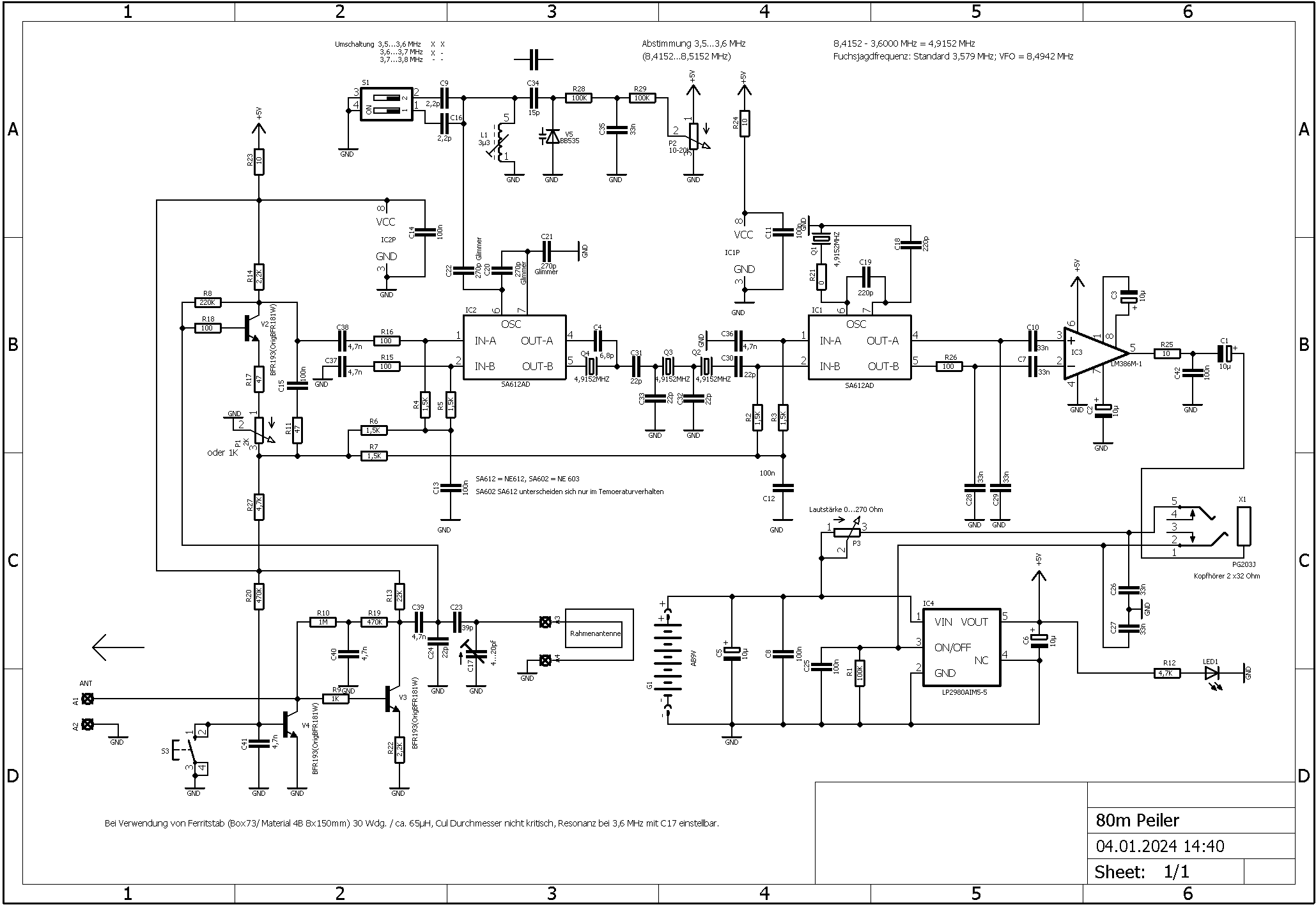
Als Grundlage für den Peilempfänger dienen Unterlagen von DL2AVH. Allerdings verwendet DL2AVH eine gedruckte Rahmenantenne. Ich habe mich mit einem Ferritstab von BOX 73 beholfen, der ist günstig zu bekommen, man muss das Material „4B“ nehmen (FS150-8-4B), andere Materialien sind eher ungeeignet. Auch bekommt man dort die abgeschirmte 3, 3µH Spule für den Oszillator (FI-4-7 4µH). Ob Rahmenantenne oder Ferritstab…da gehen die Meinungen auseinander. Die Rahmenantenne hat eine bessere Richtwirkung ist aber auf Grund der Abmessungen im Gelände eher störend wenn es ins Gehölz geht. Ich wollte eine möglichst kleine Bauweise anstreben mit allen Bauteilen auf der Platine so dass es keinen zusätzlichen Verdrahtungsaufwand gibt. Das ist mir auch gelungen, allerdings haben sich 2 kleine, leicht behebbare Layoutfehler eingeschlichen, sollte es eine Neuauflage der Platine geben werden diese Fehler behoben sein. Im Layout sind chinesische Printpotis vorgesehen. Ich habe mich aber beim Abstimmpoti für ein 10 Gangpoti mit passenden Knopf entschieden, auch die gibt es von den Chinesen. Das Mehrgang-Abstimmpoti hat den Vorteil der feinfühligen Frequenzabstimmung, ein Verriegelungshebel sperrt das Poti gegen Verdrehung. Die Standardfrequenz für Fuchsjagden im 80m-Band ist 3,579 MHz. Das Gerätchen überstreicht den Frequenzbereich von 3,5…3,6 MHz und zusätzlich ist mit den beiden DIP-Schalter der Bereich 3,6…3,7 MHz und 3,7…3,8 MHz einstellbar. Eine Frequenzeinstellung ist sinnvoll falls mit einem „Rückholfuchs“ gearbeitet wird, der logischer Weise ein Dauersignal auf einer anderen Frequenz aussendet. Der Empfänger hat mehrere Bedienelemente. Wie vorher erwähnt ist eine Frequenzeinstellung über Poti realisiert und es gibt einen HF-Abschwächer der auch die Lautstärke beeinflusst. Zusätzlich ist aber auch ein direktes Lautstärkepoti vorgesehen um die Bedienung insgesamt komfortabler zu machen um Kopfhörer unterschiedlicher Empfindlichkeit besser anzupassen. Als Anschluss ist ein 3,5mm Kopfhörer-Buchse vorgesehen. Durch Einstecken des Kopfhörers wird das Gerätchen eingeschaltet. Auf einen Lautsprecher wird bei Fuchsjagden gerne verzichtet weil das andere „Jäger“ irritieren könnte, die Möglichkeit besteht aber, der verbaute NF-Schaltkreis ist dazu in der Lage. Nachtrag: Außerdem wurde eine LED als Einschaltkontrolle nachgerüstet. Mit einem Vorwiderstand von 4,7 KΩ ist die zusätzliche Stromaufnahme vernachlässigbar. Die Stromaufnahme liegt bei dem vorliegenden Gerätchen bei 10,5 mA. Mit einem Standard Alkaline 9Volt-Block, 450 – 600 mA, erreicht man eine Betriebszeit von 45 – 50 Stunden. Eine Ferrit- bzw. Rahmenantenne hat 2 bevorzugte Empfangsrichtungen. Mit einer zu schaltbaren kurzen Stabantenne erreicht man die genaue Ortung des gesuchten Fuchses.
In früheren Zeiten nannte man Amateurfunkpeiler einmal „Fuchsjäger“. Das führt aber völlig auf den Holzweg, denn das so angesprochene hat nichts mit der Jagd zu tun. Beim Amateurfunkpeilen sucht man mit leichten, tragbaren Empfängern einige Minisender, die in bewaldetem Gelände ausgelegt sind. Man kann solche Peilveranstaltungen gemütlich angehen, aber auch intensiv als Leistungssport betreiben.ARDF-Funksportreferat – ardf.darc.de
An dieser Stelle findest du Termine zu unseren Peilläufen. Melde dich bei uns wenn du auch peilen möchtest oder komm einfach spontan vorbei. Wir freuen uns über jeden Mitstreiter, egal ob Funkamateur, CB-Funker, Geocacher oder wen auch immer. Übrigens, wer denkt wir bei L07 wären Peilprofis, der irrt. Wir sind „Peil-Anfänger“ die Spaß an der Sache haben.
Wenn du noch überhaupt nicht weißt was du benötigst um peilen zu können, nimm gerne Kontakt zu uns auf. Auch die alten Hasen im Peilsport dürfen wenn sie wollen als kleines Training gerne bei uns mitlaufen :-). Wir gucken uns gerne den ein oder anderen „Kniff“ ab.
ardf(at)lima07.de
Geplante Läufe
13.02.2022 – Halde Pattberg 11:00 Uhr – Vier Sender (Dauersendung) auf der Halde – Test der Laufzeitnahme mit der iOrienteering App und QR-Codes an den Senderstandorten. Startpunkt Parkplatz Halde Pattberg an der Schranke (QR) Google Maps PlusCode: FHWQ+HPG Moers
Parkmöglichkeit und Topografische Karte zum peilen
27.02.2022 – Waldgebiet „Leucht“ 11:30 Uhr – 4 Sender (Zufallsintervall) in der östlichen Hälfte des Waldes – keine Zeitnahme, nur Peilen und finden – Findet nicht bei Regen oder starkem Wind statt. Google Maps PlusCode: GGQ5+9M7 Kamp-Lintfort
Parkmöglichkeit und Topografische Karte zum Peilen
13.03.2022 – Senderausleger: DB7JD, Jürgen, Waldsee nahe der Halde Rheinpreussen (Moers) ca: 11:00 Uhr – 4 Sender, 3 mit andauerndem aussenden der Kennung, ein Sender mit zufällig langer Pause bis zu drei Minuten. Keine Zeitnahme, nur peilen und finden – Findet nicht bei Regen oder starkem Wind statt. Frequenz zur Kommunikation vor Ort: 145,350Mhz Google Maps PlusCode: FJJX+J5X Moers
Übersichtskarte
22.10.2023 – Senderausleger: Florian, Anja und Stephi Waldgebiet Leucht „West“ (Kamp-Lintfort) ca: 10:00 Uhr – 5 Sender (433,9125 Mhz), 3 mit andauerndem aussenden der Kennung, 2 Sender mit zufällig langer Pause bis zu drei Minuten. Wer möchte mit Test der Zeitnahme, sonst nur peilen und finden. Die Sender sind in ihrer Reihenfolge als Rundweg aufgehängt. – Findet nicht bei starkem Regen oder starkem Wind statt. Frequenz zur Kommunikation vor Ort: 145,350Mhz Google Maps PlusCode: GGP3+W4Q Kamp-Lintfort
Übersichtskarte „Leucht WEST“ und Parkplatz
Was benötige ich als Newcomer?
Man kann die Sache unter zwei verschiedenen Methoden angehen. Entweder man kauft oder baut sich direkt einen richtigen Peilempfänger für das genutzte Frequenzband oder man versucht es mit möglicherweise vorhandenen Mitteln. Wir bei L07 haben Methode Nr. 2 gewählt.
Unsere Ausrüstung:
Die Ausrüstung bei uns besteht momentan aus Handfunkgeräten bzw. Portabelfunkgeräten die im 70cm Band auf Amplitudenmodulation gestellt werden können, einem Kopfhörer, einer ordentlichen Peilantenne und einem Dämpfungsregler.
Empfänger: z.B. HFG ICOM IC-E90, IC-E91, Yaesu VX-6 … oder Yaesu FT817, ICOM IC-705 usw.
Peilantenne: HB9CV +5 nach einer Bauanleitung von (Link), oder herkömmliche HB9CV sowie jegliche andere kleine Richtantenne für das 70cm Band
Kopfhörer vereinfachen das akustische Peilen
Dämpfungsregler: um den Empfängereingang zu bedämpfen.
Unsere Peilantennen Typ HB9CV+5Ein einfacher Dämpfungsregler reicht aus um den Empfängfereingang so weit abzuschwächen das unsere Sender auch in nur zwei Meter Abstand noch „peilbar“ sind.
Wie man sehen kann, ist unsere Peilausrüstung nur zusammengewürfelt aber das wichtigste ist, das es funktioniert und richtig Spaß macht.
Es hat sich herausgestellt, das man auch mit kleinen billigen FM-Handfunkgeräten die Sender finden kann, es aber dann ein wenig schwieriger wird und mit dem starken Rauschen in FM weniger komfortabel ist.
Unter Umständen kann die ein oder andere Hardware auch bei uns ausgeliehen werden.
We use cookies on our website to give you the most relevant experience by remembering your preferences and repeat visits. By clicking “Accept All”, you consent to the use of ALL the cookies. However, you may visit "Cookie Settings" to provide a controlled consent.
This website uses cookies to improve your experience while you navigate through the website. Out of these, the cookies that are categorized as necessary are stored on your browser as they are essential for the working of basic functionalities of the website. We also use third-party cookies that help us analyze and understand how you use this website. These cookies will be stored in your browser only with your consent. You also have the option to opt-out of these cookies. But opting out of some of these cookies may affect your browsing experience.
Necessary cookies are absolutely essential for the website to function properly. These cookies ensure basic functionalities and security features of the website, anonymously.
Cookie
Dauer
Beschreibung
cookielawinfo-checkbox-analytics
11 months
This cookie is set by GDPR Cookie Consent plugin. The cookie is used to store the user consent for the cookies in the category "Analytics".
cookielawinfo-checkbox-functional
11 months
The cookie is set by GDPR cookie consent to record the user consent for the cookies in the category "Functional".
cookielawinfo-checkbox-necessary
11 months
This cookie is set by GDPR Cookie Consent plugin. The cookies is used to store the user consent for the cookies in the category "Necessary".
cookielawinfo-checkbox-others
11 months
This cookie is set by GDPR Cookie Consent plugin. The cookie is used to store the user consent for the cookies in the category "Other.
cookielawinfo-checkbox-performance
11 months
This cookie is set by GDPR Cookie Consent plugin. The cookie is used to store the user consent for the cookies in the category "Performance".
viewed_cookie_policy
11 months
The cookie is set by the GDPR Cookie Consent plugin and is used to store whether or not user has consented to the use of cookies. It does not store any personal data.
Functional cookies help to perform certain functionalities like sharing the content of the website on social media platforms, collect feedbacks, and other third-party features.
Performance cookies are used to understand and analyze the key performance indexes of the website which helps in delivering a better user experience for the visitors.
Analytical cookies are used to understand how visitors interact with the website. These cookies help provide information on metrics the number of visitors, bounce rate, traffic source, etc.
Advertisement cookies are used to provide visitors with relevant ads and marketing campaigns. These cookies track visitors across websites and collect information to provide customized ads.