Kategorien
ARDF - Funksport Technik & Projekte

2m-Fuchsjagdempfänger und Antenne

…hier stelle ich meinen Fuchsjagd-Empfänger mit Antenne vor. Die Schaltung habe ich von einer erprobten Variante aus dem Netz übernommen, ich meine aber das sie etwas empfindlicher sein könnte. Sie erfüllt ihren Zweck, vielleicht sollte man aber trotzdem noch eine zusätzliche Vorstufe mit berücksichtigen.

2m-Fuchsjagdempfänger und Antenne

…das ist der selbstgebaute Peil-Empfänger und die kompakte Fuchsjagdantenne. Ich habe auf bestehende Schaltungen zurück gegriffen, Ideen mit einfließen lassen und die Platine dazu entworfen. Selber ätzen kam diesmal, bei dem engen Aufbau, nicht mehr in Frage.

Kategorien
ARDF - Funksport Technik & Projekte

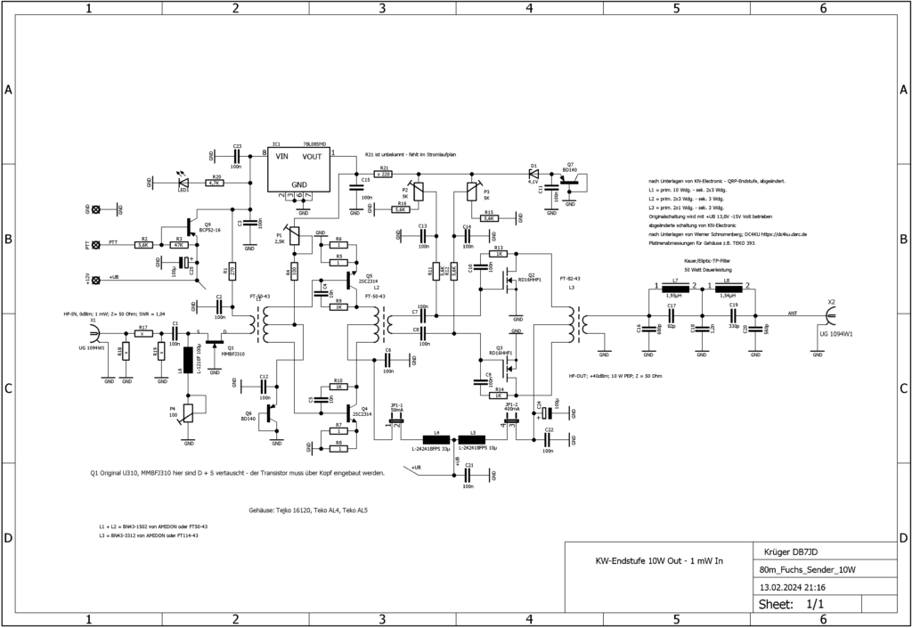
2m – 80m Fuchsjagd-Sender

…ein Fuchsjagd Sender mit vielen Möglichkeiten. Ob das nötig ist muss jeder für sich selber entscheiden, ich finde ihn toll.

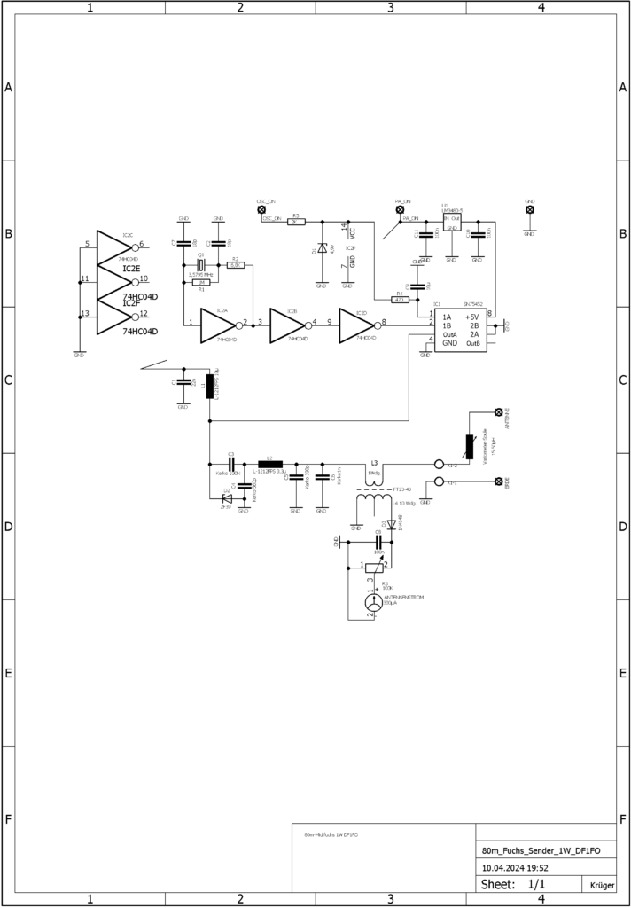
Abgewandelte Version von DF1FO FoxPro 2.Generation

…eine Kurzanleitung zum Programmieren im Gelände folgt am Ende vom Beitrag.