hier möchte ich meine Erfahrung mit euch teilen die ich beim Zusammenbau gemacht habe. Es handelt sich um einen fast kompletten Bausatz von PE1JPD und VK2VD.
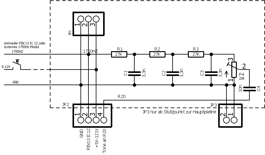
…beim Clubtreffen wurden wir von Ingo DO6IL gefragt wer Interesse an einen 23cm Transceiver-Bausatz hätte, er würde in Kürze bestellen. Da das Zeugs aus Australien kommt würde es klug sein direkt mehrere dieser Bausätze zu bestellen. Ich brauchte nicht lange zu überlegen, Juchhuu wieder was zu basteln. Der Bausatz lässt sich problemlos zusammenbauen aber es gibt Besonderheiten. Man sollte schon Kenntnisse von Elektronik haben, eine ruhige Hand beim Löten der recht kleinen SMD-Bauteile, ein Multimeter um die Bauteile vor dem Einbau zu testen, sind Vorausstzungen. Hier fängt es schon an, es liegen mehr Bauteile dem Bausetz bei wie Platz dafür auf der Platine vorgesehen ist, das ist aber richtig so! Im Stromlaufplan ist ein Filter für den 1750Hz Ton gezeichnet welches auf der Platine nicht realisiert wurde, man tappt erst mal eine Zeit lang im Dunkeln. Hier muss man selber tätig werden. Es sind nur ein paar Bauteile zu verschalten das kann man freihändig machen…ich habe mich für eine kleine Platine entschieden. Der 1750 Hz Ton wird vom Prozessor zur Verfügung gestellt das ist unzulänglich dokumentiert, es gibt nämlich im Netz eine Beschreibung über unterschiedliche Versionen und da wechselt auch schon mal der Anschlusspin am Prozessor. Der Ton wird aktiviert indem man die PTT-Taste beim Senden kurz 2x betätigt, auch das ist schwierig in Erfahrung zu bringen, vielleicht wird das aber auch vorausgesetzt. Ich habe mich aber zusätzlich noch für einen externen 1750 Hz Generator mit Timer-IC NE555 (China) entschieden und das Layout für den 1750Hz-Filter um diesen Tongenerator erweitert. Ein Taster aktiviert bei Bedarf nun den Ton während ich sende. Parallel habe ich aber die Möglichkeit gelassen wie sie vom Entwickler vorgesehen war. Aber…in der Software kann man diese Funktion auch deaktivieren, und das ist etwas mühsam durch mehrere Menüs zu navigieren bis man diesen Menüpunkt gefunden hat. So bin ich mit dem externen 1750 Hz-Tongenerator flexibler. Ein Lautsprecher muss man selber dabei steuern. Auch habe ich alle Verbindungen die die Platine verlassen, dazu gehören u.a. Display, Drehgeber, Poti, Mikrofonbuchse, Leds steckbar gemacht. Die Pfostensteckverbinder wie sie auf dem Photo zum Bausatz abgebildet sind liegen nicht bei, hier ist „Reichelt“ gefragt. Die Bauanleitung beschreibt recht genau die Inbetriebnahme. Man sollte sich vielleicht vor der Bestellung die Anleitung aus dem Netz fischen um sicher zu stellen das man dem gewachsen ist. Mir hat es geholfen das ich einen Icom IC9700 als „Kontrollinstrument“ hatte. Alle Abgleicharbeiten funktionieren so wie beschrieben. Während des Aufbaus stellt man sich die Frage: „was ist das denn für ein Bauteil, ist das genau der Transistor der hier eingelötet werden muss“. In der Dokumentation gibt es für alle Bauteile das passende Datasheet…habe ich leider erst zu spät festgestellt, Grins! Ich habe die Platine (Europakarte 160 x 100 mm) in ein Gehäuse meiner Wahl (ProMa 131 020, Conrad) eingebaut. Das ist leider etwas zu kurz, ich habe mir geholfen das ich 10mm Abstandsbolzen zur Frontplatte verwendete. Anfangs war ich über diese Lösung nicht sehr glücklich, inzwischen habe ich mich aber damit abgefunden und finde es gut. Dem Bausetz liegt ein „riesiges“ Display bei. Ein kleines Gehäuse dafür zu finden ist nicht möglich, also wo hin mit dem Display. Ich habe das Display ausgelagert und kippbar gemacht, sieht nicht so elegant aus ist aber extrem praktisch. Der Transceiver kann jetzt vor mir auf dem Werktisch liegen oder im Regal stehen, immer ist eine gut ablesbare Anzeige möglich. Ach ja Display…das ist meiner Meinung nach viel zu hell. Ein Vorwiderstand von 130 Ohm am Display-Lötpunkt „BLK“ brachte eine erträgliche Helligkeit. Ich habe mich für eine 8 polige Mikrofonbuchse entschieden wie sie von Icom und Kenwood benutzt wird. Und beide Schaltungsvarianten habe ich an die Buchse angeschlossen und die vertragen sich. Nun kann ich wahlweise mit den beiden Mikrofonen arbeiten. Ich darf aber nur ausschließlich den individuellen Mikrofonanschluss und die PTT-Taste an der 8 poligen Mikrofonbuchse realisieren, kein Lautsprecher oder andere Mikrofontasten wie UP-Down verschalten. Die kleine Filterplatine für den 1750 Hz Tonruf habe ich hochkant auf der Hauptplatine befestigt, da ist ausreichend Platz vorhanden. Dazu entferne ich mit einem Glasborsten-Radierer etwas Farbe an geeigneter Stelle von der Platine und löte dann Stützpunke auf die Kupferfläche auf. Ich wollte auf jeden Fall eine TX-Led und eine RX-Led, dafür habe ich 2 polige Pfostensteckverbinder auf die Platine geklebt und entsprechend verdrahtet.















So das muss jetzt reichen, ich hoffe ich habe nichts Wichtiges vergessen zu erwähnen. Vielleicht habe ich das Interesse geweckt um sich selber mal mit so einem Bausatz zu beschäftigen. Viel Spaß!