Keine Modulation am Transceiver, was ist das denn schon wieder, bestimmt irgendeine Einstellung falsch…oder ist das Mike defekt, wie unterscheiden sich die Mikros im Klang untereinander…ein Testgerät für Mikrofone der Marken Icom, Yaesu und Kenwood muss her.

Der eigentliche Ideen-Auslöser für dieses Gerät war mein IC9700. Betreibt man das Gerät über LAN verstellt sich die Konfiguration im Gerät. Das Mikrofon am Gerät funktioniert dann nicht mehr.
Man muss also daran denken bei direktem Mikrofonbetrieb manuell im Menü die richtigen Einstellungen wieder herzustellen. Zurückschalten zwischen LAN-Betrieb und Handmike geschieht nicht automatisch, anders herum allerdings schon.
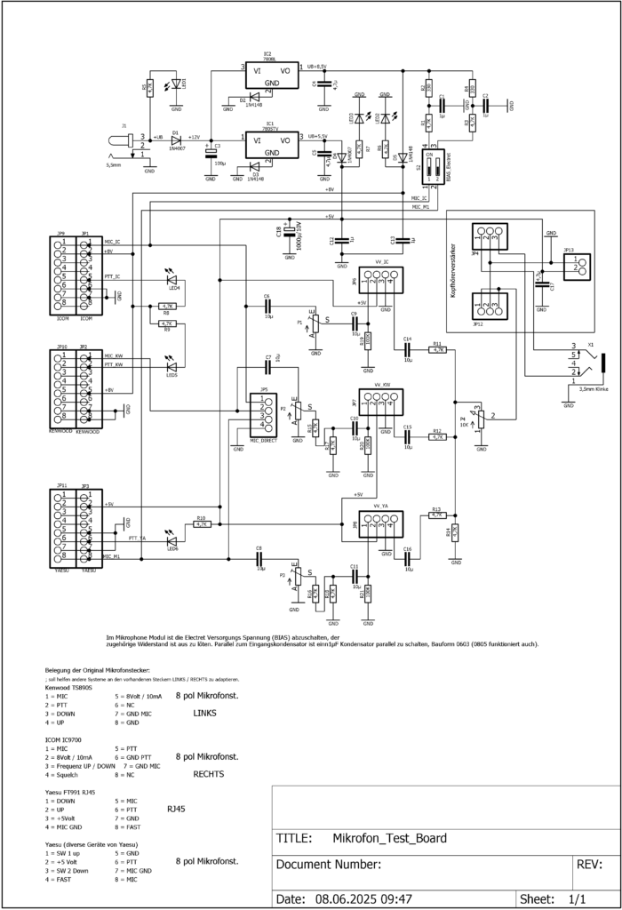
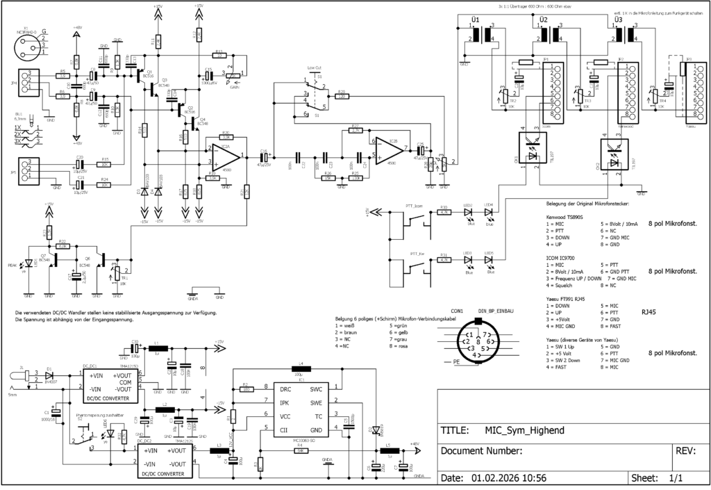
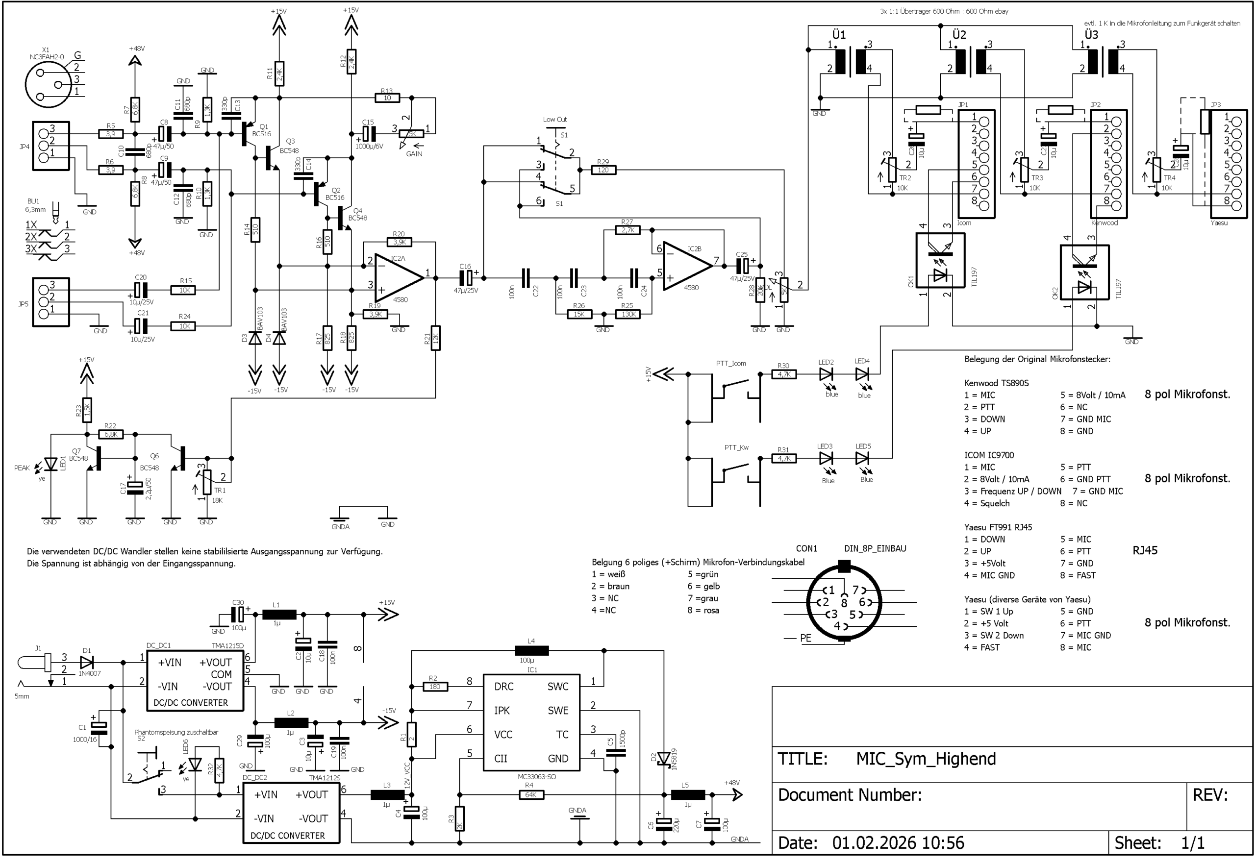
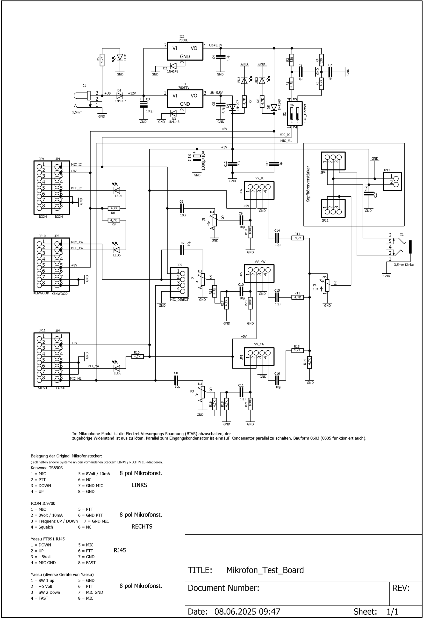
…braucht man so ein Testgerät?…eher nicht…eventuell doch…mir war einfach danach! Ich habe Stationsgeräte von Kenwood und Icom. Das eine hat eine dynamische Kapsel, das andere eine Elektret-Kapsel. Es wäre doch gar nicht schlecht wenn man die Mikrofone im direkten Vergleich auf ihre Audioeigenschaften testen könnte. Mach das Sinn…hmmm…am Funkgerät funktionieren sie ja prima. Und wenn ich dann doch so ein Test-Gerätchen baue dann sollte man auch direkt die PTT-Funktion mit testen können. Gesagt…getan Jedes Mikrofon hat seine individuelle Pin-Belegung, aber alle haben den 8-poligen Stecker. Also wurden drei gleiche Verstärkerzüge vorgesehen. Im Gerät gibt es dann 3 Stück 8 polige Steckerleisten (Reichelt) die alle die gleiche Belegung haben. Von hier aus wird individuell die Beschaltung der Mikrofonstecker vorgenommen. So können auch Mikrofon-Varianten unterschiedlichen Typs später nach-umgerüstet werden. Es wurde jedem Mikrofon einen VV und ein Poti spendiert um die abweichenden Empfindlichkeiten untereinander anzupassen. Eine zu schaltbare BIAS-Stromversorgung für Elektret-Mikrofone wurde auch berücksichtigt. Drei günstige Mikrofon-VV-Module wurden im Internet besorgt. Ein Kopfhörer-Verstärker-Modul muss auch noch rein…darüber und einem Kopfhörer findet der Vergleich statt. Leds signalisieren die funktionierende PTT. Die Mikrofone sind sofort aktiv wenn man sie anschließt, PTT drücken ist nicht notwendig. Was habe ich festgestellt. Der Selbstbau hat sich für mich gelohnt…die Mikrofone klingen alle sehr unterschiedlich. Aber an sich ist das ja egal, sie wurden ja individuell für den passenden Transceiver entwickelt. Aber alle klangen in ihrem Frequenzbereich eingeengt, das eine eher dumpf, das andere nicht linear, das M1 von Yaesu hat mich am meisten überrascht…einfach nur nichtsagend, unauffällig flach. Mir kam eine Idee…wie klingen Studiomikrofone am Transceiver, also diese hochwertigen Kondensator-Mikrofone mit 48 Volt-Phantomspeisung wie sie im Tonstudio benutzt werden. Solche Mikrofone habe ich noch, ich habe mich eine Zeit lang mit Bühnen-Beschallungen beschäftigt. Also muss noch ein hochwertiger Mikrofon-Vorverstärker her wie er in besseren Mischpulten Anwendung findet… Juchhuuh…nächstes Bastelobjekt! Davon werde ich hier auch berichten. Um es vorweg zu sagen, diese Großmembran-Kondensator-Mikrofone (habe mehrere getestet) klingen so viel besser, also luftiger, ehrlicher, dynamischer das man sich fragt wie klingt so ein Mikro am Transceiver. …ich habe es nie getestet, mir wurde etwas der Spaß genommen. Zur Geschichte:…ich bin der einzige im Club der schon mal Selbstgebasteltes mitbringt und davon gibt es einiges. Oft kreisen diese Gerätchen in der Runde um dann nach wenigen Minuten wieder vor mir zu liegen. Ich kenn das schon. Keiner fragt mich mal „…was soll das“, oder „Super hätte ich auch gerne“. Aber ich höre nicht auf damit, denn inzwischen erwarte ich jedes Mal genau diese Reaktion, das amüsiert mich extrem. Ob es Sinn macht so ein Edel-Mikro am Transceiver zu betreiben habe ich mal bewusst im Club angesprochen. Ich hatte dazu einen Testaufbau mitgebracht und jeder konnte die unterschiedlichen Mikrofone testen dazu brauchte man sich nur den Kopfhörer aufsetzen. Ein OM hat gar nicht erst den Kopfhörer aufgesetzt: „das spielt keine Rolle“ war seine Antwort. Ja, vielleicht hat er Recht. Also beschloss ich den Test meines Super-Mikrofonvorverstärkers nicht mit diesen Kollegen zu machen. Seitdem verstaubt das Gerätchen einsatzbereit an meiner Station. Andere OMs wollte ich auch nicht quälen und zwingen an einer Mikrofon-Test-Challenge teilzunehmen. Ich habe eine ganze Menge gelernt, aber Spaß hat es auf jeden Fall gemacht.




Es gibt zwei stabilisierte Stromversorgungen…eine welche die Elektretmikrofone versorgt, Icom arbeitet mit 8 Volt und eine Stromversorgung für die VV-Verstärker-Elektronik mit 5 Volt.
Dem aufmerksamen Leser wird aufgefallen sein das ich immer die gleichen Gehäuse benutze. Das sind meine absoluten Favoriten. Die Gehäuse sind günstig und richtig gut. Sie nehmen eine Europakarte (160 x 100 mm) auf und haben dazu Führungsnuten. Z.T. schneide ich die Gehäuse mit einer Kappsäge, mit Standard-Hartmetallblatt (das in der Regel immer dabei ist) auf Maß. Dazu baue ich die Gehäuse zusammen und lege sie unter die Säge. Ich bin mutig und halte sie geschützt von einem Handschuh einfach nur fest, Schutzbrille nicht vergessen! Das sind meine Favoriten: ProMa 131030; 131020; 131010 die gibt es unter anderen bei Conrad und kosten z.Z. unter 20,–€.





In mir kam gerade im Augenblick der Wunsch auf… Audiofiles der einzelnen Mikrofone zu erfassen und zu veröffentlichen…ich bin schon dabei. Ich werde über Adapter die Mikrofone an ein professionelles Mischpult anschließen um bestmöglich vergleichen zu können. Das wird aber noch ein paar Wochen dauern, habe mir aber schon Gedanken über die Realisierung gemacht und auch schon Bauteile bestellt, bin selber gespannt was dabei herauskommt.

Aber dazu demnächst mehr!
Vielen Dank für deinen Besuch!