…ein Fuchsjagd Sender mit vielen Möglichkeiten. Ob das nötig ist muss jeder für sich selber entscheiden, ich finde ihn toll.
Abgewandelte Version von DF1FO FoxPro 2.Generation
…eine Kurzanleitung zum Programmieren im Gelände folgt am Ende vom Beitrag.
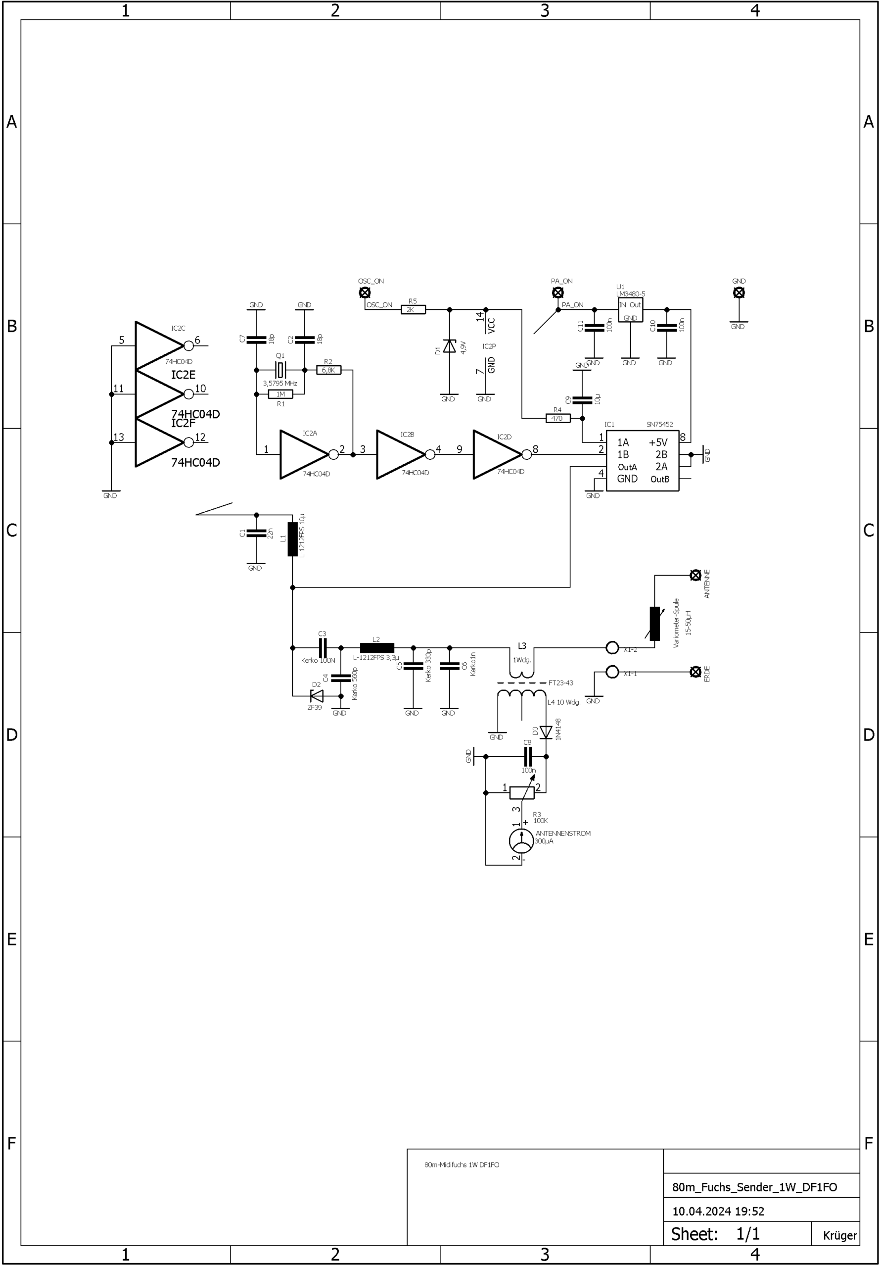
Hierbei handelt es sich um ein komplettes Set an Fuchsjagd Utensilien um Wettkampfmäßig Fuchsjagden auszuüben. Dazu gehört der eigentliche Fuchs (Steuerung inkl. 2m oder 80m Sender, auswählbar), das Programmiergerät (programmiert wird über ein 3,5mm Klinkenstecker) programmierbarer Rückholfuchs, einen Startlautsprecher gesteuert vom Programmier-Gerät. Der eigentliche Fuchs ist eine von mir erweiterte Version, allerdings wurden zur Steuerung die Schaltungsdetails vom FoxPro übernommen. Für nähere Infos zur Steuerung verweise ich auf die Seite von DF1FO.
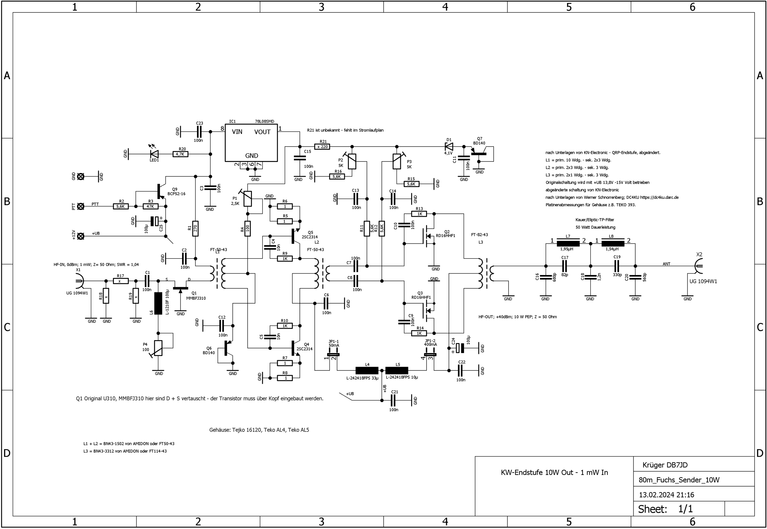
Zum Fuchs: Mein Wunsch war es einen Fuchs für wahlweise das 80m bzw. 2m Band zu bauen. Also wurden neben der eigentlichen Zeitsteuerung ein 80m-Quarzoszillator und ein 2m-Oszillator-IC vom Typ ICS525/01 bzw. /02 eingesetzt. Das 2m-IC hat keinen durchstimmbaren Bereich sondern lässt sich nur über DIP-Schalter auf feste Frequenzen im 2m-Band einstellen. Dazu kann man sich die Tabelle im Stromlaufplan angucken. Außerdem besitzt der Fuchs zusätzliche Ausgänge um auch später noch andere Sender direkt betreiben zu können. Hier wird über MOSFETs die Betriebsspannung direkt geschaltet. Der MOSFET vom Typ IRLM 9301 lässt Ströme bis 3,6 Ampere zu. Der Ausgang wurde auch schon benutzt, ich habe die Füchse mit zusätzlichen 80m 500mW-1W Sender und einem 80m-10 Watt Sender ausgestattet (das ist der Rückholfuchs). Die Steuerung hat Platz auf einer kleinen doppelseitigen Platine. So ganz klein ist der Fuchs dann doch nicht geworden. Neben der Platine braucht man noch Platz für die Stromversorgung mittels AA-Batterien und zusätzlicher Ersatzbatterie, eine 2m-Teleskopantenne, Anschlussbuchsen für eine 80m-Drahtantenne und beim 10W-Fuchs noch eine Möglichkeit zur externen 12 Volt Stromversorgung, auch die mehrere Meter lange Wurfantenne hat noch Platz im Köfferchen mit den Koffer-Maßen 24cm x 20cm x 4 cm. Auf der Suche nach einem passenden Gehäuse bin ich auf diesen kleinen transparenten Plexiglaskoffer gestoßen. Ohne den Koffer aufmachen zu müssen hat man immer eine Kontrolle über die Eine oder andere Led bzw. bei der 500mW und 10 Watt-Version auch über das Antennenabstimm-Instrument. Die Spule im Koffer ist mittels Ferritkern abstimmbar. Nach „Auslegen“ der 80m-Antenne trimmt man die Spule auf Maximalausschlag am Zeigerinstrument, dafür besitzt der Sender die Möglichkeit der manuellen Inbetriebnahme mittels Taster.

…von links nach rechts: Einschalter (dieser darf nach der Programmierung nicht mehr ausgeschaltet werden), 2 DIP-Schalter zur Frequenzeinstellung (siehe Tabelle), Manuel-Taster für die Sender, Umschalter 2m-80m, blaue Led signalisiert das Auftasten vom Sender, 3,5mm Programmier-Klinkenstecker. Die beiden grünen Leds im Hintergrund sind testweise an die zusätzlichen Schaltausgänge gelötet worden.








Für den Anwender im Gelände, also während der Fuchsjagd um ganz schnell noch Einstellungen an der Programmierung zu verändern folgt hier eine Kurzanleitung um die Sender zu programmieren. Das kann evtl. schon mal nötig sein, dann kann man per Internet hierdrauf zugreifen. Die umfangreiche und für mich nicht ganz einfach zu verstehende originale Bedienungsanleitung muss man sich bei Bedarf von der Seite DF1FO runterladen.
FoxPro Programmierung der Füchse: Kurzanleitung
Ergänzende Beschreibung zur Inbetriebnahme der Fuchsjagd-Sender von DF1FO
Werden die Füchse das erste Mal in Betrieb genommen muss deren interne Steuerung eine Nummer von 1-5 zugewiesen werden, ohne diese Nummer funktionieren die Füchse nicht. Auch die Nummer „0“ (Null) kann zugewiesen werden, das ist der Rückholfuchs. Ist er als solcher programmiert sendet er dauernd seine Code (3x Strich = O) aus. Es gibt auch einen energiesparenden Modus für den Rückholfuchs. Hierfür bitte in der Originalbeschreibung nach lesen.
Um den Füchsen bei der ersten Inbetriebnahme eine Nummer zu zuweisen (1-5, 0, ist nach dem normalen Einschalten von FoxPro (das ist das Programmiergerät) im Hauptmenü „Fuchs“ an zu klicken, danach das „+“ Zeichen anklicken. Jetzt ist man im Programmiermenü für den Fuchs. Der Buchstabe F gefolgt von einer Nummer ist der Fuchs. Die Nummer bleibt auch nach dem Ausschalten erhalten. Es ist kein Speichern nötig, die Nummer bleibt im Fuchs. Das Programmierkabel kann direkt abgezogen werden.
Tip: zum schnellen Abfragen oder Ändern der programmierten Nummern der einzelnen Füchse braucht man nur das FoxPro-Programmiergerät in diesen zuvor beschriebenen Programmiermodus bringen um dann nacheinander die einzelnen Füchse abzufragen( mit dem 3poligen 3,5mm Klinkenstecker–Kabel) bzw. auch zu ändern: die programmierte Fuchsnummer wird sofort angezeigt, man kann sie dann auch direkt ändern. Ein Speichern ist nicht notwendig, das Kabel kann direkt entfernt werden ohne das Programmiergerät auszuschalten.
Es gibt auch einen autarken Modus, ein Programmiergerät ist dazu nicht nötig. Der Bahnleger muss dazu nur, beim Auslegen des Fuchses, mit Hilfe einer Armbanduhr den Fuchs sekundengenau einschalten. Der Fuchs schaltet sich nach 6 Stunden automatisch aus, in dieser Zeit sendet der Fuchs seine Kennung aus.
Für die Fuchsjagd die Zeit programmieren:
Vom Hauptmenü auf Programm klicken, hier kann die Uhrzeit und Start-Stoppzeit eingestellt werden. Achtung: das Programmiergerät jetzt nicht mehr ausschalten – es verliert sonst seine Einstellungen. Das ist das normale Menü, im erweiterten Menü kann zusätzlich die Anzahl der Füchse und die Sendedauer pro Fuchs festgelegt werden (in der Original-Beschreibung nachschlagen). Im Hauptmenü unter Laden können die Einstellungen in den Fuchs übertragen werden. Auch hier gilt: den Fuchs jetzt nicht mehr ausschalten, er verliert sonst seine Einstellungen. Der Fuchs nimmt zur eingestellten Zeit den Betrieb auf. Die Batterie sollte genügend voll sein. Die Programmierung der anderen Füchse kann direkt aus diesem Menü erfolgen…Kabel einfach umstecken. Es braucht keine Fuchsnummer programmiert werden. Einfach nur Laden anklicken…Fertig. Im Fuchs blinkt dann im Standby eine blaue Led. Die Programmierung kann bis 24 Stunden vorher erfolgen.