…hier stelle ich meinen Fuchsjagd-Empfänger mit Antenne vor. Die Schaltung habe ich von einer erprobten Variante aus dem Netz übernommen, ich meine aber das sie etwas empfindlicher sein könnte. Sie erfüllt ihren Zweck, vielleicht sollte man aber trotzdem noch eine zusätzliche Vorstufe mit berücksichtigen.
2m-Fuchsjagdempfänger und Antenne
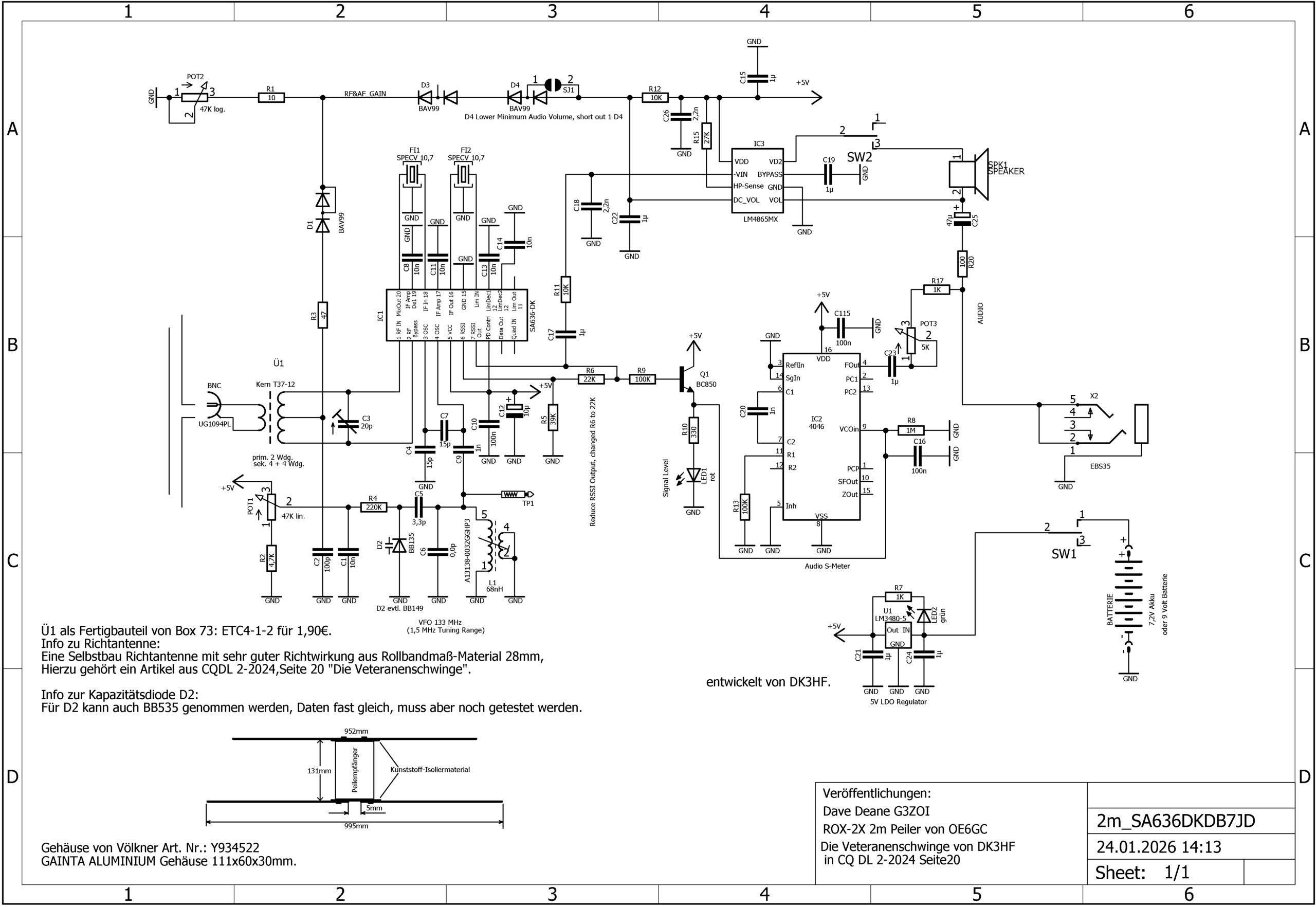
…das ist der selbstgebaute Peil-Empfänger und die kompakte Fuchsjagdantenne. Ich habe auf bestehende Schaltungen zurück gegriffen, Ideen mit einfließen lassen und die Platine dazu entworfen. Selber ätzen kam diesmal, bei dem engen Aufbau, nicht mehr in Frage.
Und wenn man dann noch mehrere Stück davon bauen will ist der Aufwand für eine Professionell gefertigte Platine gar nicht mal so bedeutend.







Mit der Peilantenne bin ich sehr zufrieden, sie hat etwas ungwöhnliche Maße, habe mich aber davon nicht abhalten lassen und an den Nachbau getraut. Das Original hatte noch Metall-Bandmaß-Antennenelemente. Ich verwende 4 Teleskopantennen die man recht günstig kaufen kann, meine sind glaube ich von Pollin und haben so um die 1€ /Stück gekostet. Etwas Elektro-InstallationsRohr ein paar Schrauben, dann noch leichtes/dünnes Koaxialkabel…fertig! Jetzt ist Installationrohr nicht besonders formstabil. Bei den Bohrungen für die, in meinen Fall, 3mm Schrauben muss man schon sorgfälltig vorgehen. Nur bei leichten Abweichungen beim Bohren, ich meine wenn der Bohrer das ersta Mal das Material berührt, kommte es zu Ungenauigkeiten. Das kann man später mit der Heißluftpistole korrigieren. Nachdem dann die Direktoren im Installationsrohr mit einander über Lötösen verbunden sind und das Koaxialkabel angeschlossen ist und man alles überprüft hat kann man diese kritischen Stellen mit Heißkleber stabilisieren. Aber Vorsicht, auch der Heißkleber verformt das Gebilde. Bei mir ist das komplette Kaox-Kabel 125 cm lang und ist ausreichend um die Antenne in der einen und den Empfänger in der anderen Hand zu halten. Ein sehr dünnes, flexibeles Kabel ist natürlich von Vorteil…gesendet wird mit dieser Konstruktion eh nicht. Man sollte sich ausreichend Markierungen an der Antenne anbringen wo die Empfangsrichtung ist. Nachdem ich die Antenne nach langer Zeit wieder in die Hand genommen hatte war ich der festen Überzeugung das sie aus Dipol und Reflektor und nicht aus Direktor besteht…das macht bei der Fuchsjagd dann keinen Sinn mehr, wenn man dann in die falsche Richtung läuft. Führt eventuell dann zu Unsicherheiten bei den anderen Teilnehmern wenn die mich beobachten und mich schnellen Schrittes in die andere Richtung bewege.



Man kann sich zu Anfang der Fuchsjagd die Mühe machen und mit dem „Zollstock“ die richtigen Längen der Teleskopantenen einstellen, wird aber später feststellen das es im Gelände ständig zu Verschiebungen kommt. Die Schnürre sind eine wertvolle Hilfe und stören im Betrieb nicht! Ach ja Schnüre…hier habe ich Abspann-Material benutzt…das verformt sich nicht! Der rote Schrumpfschlauch macht auch Sinn, man findet sofort das richtige Ende. Und noch etwas: Die genauen Einstellungen sind nicht wichtig! Dipol und Direktor dürfen ruhig aus der Achse etwas verschoben sein, die Länge der Teleskope braucht nicht auf den Millimeter genau zu sein…die Antenne peilt trotzdem. Eine genaue Einstellung mit dem VNA-Analyzer bewirkt keine bessere Peilung. Dazu eine kleine Geschichte die mir heute Morgen passiert ist bevor ich mich entschloss den Artikel zu veröffentlichen: Ich wollte sichergehen ob meine Erinnerungen noch richtig waren und habe einen kleinen Testaufbau gemacht um die Funktion der Peilantenne zu bestätigen. Das ich dann 3 Stunden damit verbracht habe einen Fehler zu finden den ich überhaupt nicht auf dem Schirm hatte, war überhaupt nicht eingeplant. Also zum Testaufbau: Meßsender von Hameg den HM8134-3 auf 144,3 Mhz -30dBm eingestellt, ganz schnell eine Mobilantenne mit Magnetfuß auf den Werktisch gestellt und meinen Spektrumanalyzer mit angeschlossener Peilantenne eingeschaltet. Klar und deutlich war die „Spitze“ auf dem Spektrumanalyzer zu erkennen. Ich konnte aber kein Vorzugsrichtung mit meiner Peilantenne ausmachen. Ja, es gab irgendwelche Dämpfungen…so wollte ich aber nicht zur Fuchsjagd. Mir kam eine Idee..ich habe noch eine HB9CV…die ist über jeden Zweifel erhaben. Auch mit dieser Antenne konnte ich nicht sicher die Sende-Antenne lokalisieren. Nächste Idee: vieleicht gibt es zu viele Reflektionen im Raum…genau das muss es sein…nee war es nicht! Also die Sendeantenne muss raus aus dem Raum! Rg58-Verlängeung genommen, Stativ 2 Meter vom Fenster draußen aufgestellt…Antenne drauf, jetzt wird es wohl klappen! Nee…hääh…was läuft hier falsch? Ich hatte erst vor kurzem ein Erlebnis mit RG58 Kabel gehabt, als ich versuchte mit einem Rauschgenerator den Frequenzgang von meinem Balun durch zu messen. Die schlechte Abschirmung vom RG58 hatte meine Funkmaus lahmgelegt. Erst mit doppelgeschirmten Kabel war ein Betrieb möglich. Also jetzt CLF200-Kabel genommen…das funktionierte…aber immer noch war eine direkte Peilung zur Antenne nicht möglich, es gab meherere Vorzugsrichtungen. An der Mobil-Antenne mit ihrer ungewöhnlichen Montage (nicht auf dem Autodach!) muss es etwas zu tun haben war meine Vermutung. Als ich dann die HB9CV draußen montierte und Richtung Fenster strahlen ließ kam der Erfolg. Die selbstgebaute Peilantenne funktioniert einwandfrei, es kam bei dem eingestellten Pegel von -30dBm am Signalgenerator in ca. 6 Meter Entfernung zwischen HB9CV und Peilantenne zu einer fast kompletten Auslöschung wenn man die Peilantenne um 180° Grad drehte. Äußerst zufrieden mit mir habe ich mich dann zu Mittag begeben.
Jürgen, DB7JD