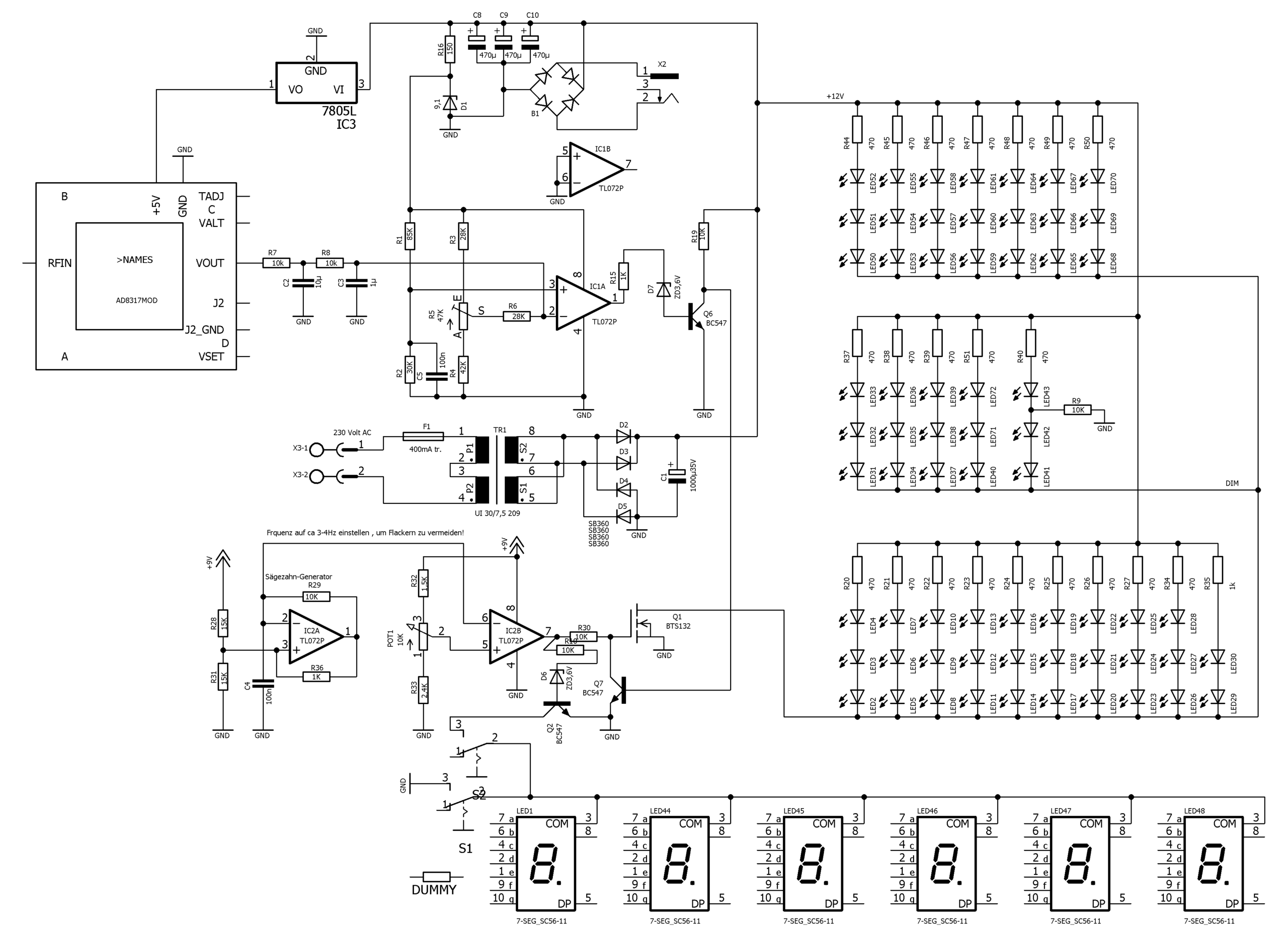
…eine recht simple Elektronik um jede Art von Funkaussendung in naher Umgebung anzuzeigen. Die fertige winzige Baugruppe (aus China) bestückt mit einem AD8317 ist Hauptbestandteil von diesem Bastelprojekt.

Die Idee zu dieser ON-AIR Anzeige hat eine Vorgeschichte: Als ich vor wenigen Jahren draußen an meiner ersten Vertikal-Antenne auf dem Garagendach bastelte wurde ich von meiner Nachbarin angesprochen.
Meine Nachbarin ist wohl Bestandteil der Fensterdekoration, so oft wie ich hinüberschaute schaute sie heraus. Sie machte komische Handzeichen…das war ungewöhnlich! „Was ist los Monika“ fragte ich. Dann wieder diese Handzeichen in Richtung meiner Antenne. Sie wollte wohl wissen was das für ein Teil ist. Jetzt bin ich nicht unbedingt kommunikativ wenn es darum geht einer älteren Frau den Sinn einer Gap-Titan Antenne zu erklären. „Das ist ein Wäscheständer“ …so das musste reichen. Ich schwöre so war die Wortwahl. Jetzt wurde sie gesprächig: Sie hätte ja immer in letzter Zeit Probleme mit dem Fernsehempfang und das könnte ja wohl der Grund dafür sein. Mein Kopf arbeitete: …wie kann ich jetzt der Frau die Funktion der Antenne erklären ohne technische Grundlagen voraussetzen zu wollen. „Monika, du brauchst dir keine Sorgen machen das Ding ist noch nicht aktiv und noch gar nicht angeschlossen. Und wenn ich dann in einigen Tagen anfange zu senden und du dann Fernsehstörungen hast, kannst du gerne die Bundesnetzagentur anrufen und dich beschweren, ich habe die Antennenanlage nämlich angemeldet“. Das musste wohl gewirkt haben ich hatte wohl die richtige Wortwahl getroffen. „Ja..ja…ich habe die Störungen auch nur bei Regen“. Ich beschloss das Gespräch zu beenden, das führt zu nichts, außerdem könnte ich für sie immer eine Lampe im Fenster anmachen wenn ich die Sendetaste drücke, und wenn sie dann in diesem Augenblick Fernsehstörungen hat könnte sie sich gerne bei mir melden. Das Gespräch war zu Ende aber der Kopf arbeitete…eine Lampe einschalten beim Drücken der PTT-Taste ist eine Kleinigkeit. Kann man das vielleicht noch komfortabler machen? Die Idee zu diesem Schild war geboren. Wenige Wochen später stand das Schild gut sichtbar für meine Nachbarin im Fenster. Dann habe ich nach beschwerdefreien Monaten das Schild über meine Sortimentskästen plaziert…bis heute. Man glaubt garnicht wie viel HF unterwegs ist. Stundenlang passiert nichts, aber dann folgt u.U. ein wildes flackern. Ob beim Nachbarn (Reihenhaus) vielleicht gerade telefoniert wird? Jede Art von meinen Funkaktivitäten von KW bis in den UHF Bereich wird signalisiert. Nehme ich kleine Oszillatoren in Betrieb leuchtet die Anzeige auf. Man wird immer daran erinnert das ich als Lizensinhaber mit Hochfrequwnz spielen darf (Grins). Auch auf dem Fieldday erweckte das Schild Aufmerksamkeit, ich hatte ja neben dem 230V-Netzanschluss auch einen 12 Volt-Anschluß vorgesehen. Und das Schild ist hell, richtig hell, hier wurden 10.000 mcd Leds verbaut. Die Elektronik ist, Gott sei Dank, in der Helligkeit einstellbar. Mein Rufzeichen wird auch angezeigt, Selbstlob darf nicht fehlen, aber auch abschaltbar. Das ganze wurde in ein spritzwassergeschütztes Plexiglasgehäuse eingebaut. Der Antenenanschluss wird direkt von dem China-Modul auf die externe BNC.Buche verdrahtet. Bei der Wahl der Antenne gibt es keine Einschränkungen. Ich benutze eine Telekopantenne. Das ganze soll keine Bauanleitung sein aber evtl. für den Interessierten Anregeungen bieten. Vergessen zu erwähnen…wie ich mein Rufzeichen darstellen wollte stand bei der Entwicklung der Platine noch nicht fest. Ich habe einfach Platz für ein paar Digital-Anzeigen vorgesehen und später von Hand verdrahtet. Plexiglaszuschnitt gibt es im Internet. Das Verarbeiten war Neuland für mich…aber alles ist ganz easy, nur den richtigen Kleber verwenden! Befestigunglöcher, Kabeleinführungen bohren mit geringer Geschwindigkeit und wenig Druck funktioniert einwandfrei.





Habe ich was vergessen…ich glaube nicht.
Jürgen