Die Standard-Tarheel Antenne wird nur mit Sicherungshalter und Umschalter für Hoch-Runter ausgeliefert. Hier wird beschrieben wie man eine passende Digitalanzeige für die Antennen-Position realisiert. Sollte auch für Screwdriver-Antennen anderer Hersteller funktionieren.
Die Standard-Tarheel Antenne wird nur mit einem Sicherungshalter und einem Umschalter für Hoch-Runter ausgeliefert. Die Einstellung geschieht durch Beobachten des besten SWR-Verhältnisses am Funkgerät. Es gibt inzwischen sehr komfortable Bediengeräte anderer Hersteller. Bei mir kam der Wunsch auf: „…das mache ich selber!“
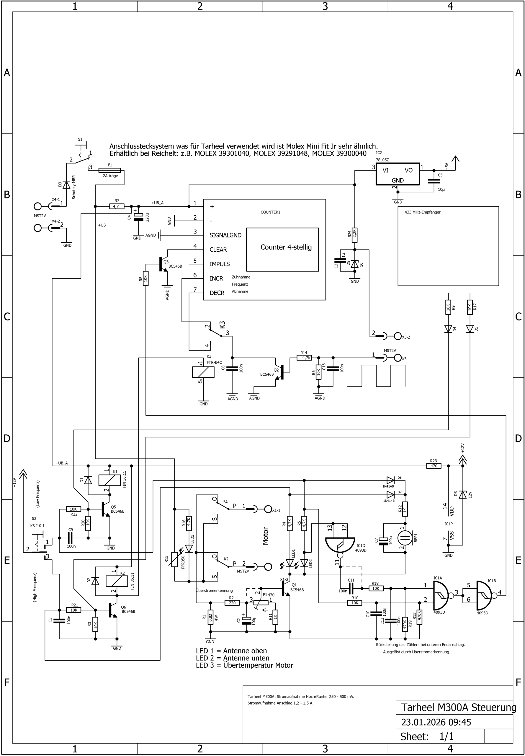
Die Tarheel Antenne wird mit einem 4-poligen Stecker geliefert. Nur 2 Adern steuern den Gleichstrommotor an, diese beiden Adern werden nur im Normalfall gebraucht. Durch Umpolen der Betriebsspannung wird die Antenne abgestimmt. Wofür sind die beiden anderen Adern?…einfach mal nachmessen. Hier muss es wohl einen internen Reedschalter geben (die Antenne wurde nie geöffnet), an den beiden zusätzlichen Adern standen potentialfreie Impulse beim Betrieb zur Verfügung. Im Internet (China) wurde ein Hoch-Runter-Zähler mit Digitalanzeige bestellt. Das Teil hat sogar den Vorteil dass der Zähler seinen Speicheinhalt bei Stromausfall behält, hier gibt es keinen Akku. Der Zähler zeigt also immer nach erneuter Inbetriebnahme die aktuelle Position der Antenne an. Jetzt kann sich allerdings durch öfteres Hoch-und Runterfahren der Zählerstand doch geringfügig verändern. Ich habe einen automatischen Reset realisiert der bei der unteren Antennen-Position (Zähler sollte hier „0000“ anzeigen) gesetzt wird. Ich messe dazu den Strom, der spontan ansteigt wenn der Motor gegen den Anschlag fährt (nur ein Transistor). Der Zähler wird also nach Wunsch immer neu gesetzt. Gleichzeitig habe ich auch ein akustisches Signal mit integriert wenn die Antenne oben oder unten ist, also wenn der Motor gegen einen Anschlag fährt und einen größeren Strom aufnimmt. Denn je nachdem wie weit die Antenne von dem Bedienteil entfernt ist fehlt jede visuelle oder akustische Kontrolle. Jetzt muss man nur noch dem Hoch-Runter Zähler mitteilen in welche Richtung er zählen soll. Das ganze wurde dann im nach hinein noch mit einer Funkfernsteuerung (China) erweitert, ich habe es eben gerne komfortabel. Mit einer einmal erstellten Liste kann man ziemlich zielsicher das entsprechende Band ansteuern.




