Stolz habe ich mir das M1 von Yaesu zugelegt und möchte es wahlweise an Kenwood und Icom Geräten betreiben. Allerdings ohne zusätzliche Elektronik geht es nicht. Icom verwendet für den IC-9700 ein Electret Mikrofon welches über das Anschlusskabel mit 8 Volt versorgt wird. Yaesu und Kenwood verwenden für das Hand-Mikrofone dynamische Kapseln mit geringerer Ausgangsspannung als es von einer Electret-Kapsel geliefert wird. Das Yaesu M1 besitzt für seine beiden Kapseln je einen Gain-Regler, der aber doch in seinen Einstellmöglichkeiten eher eine zu geringe Ausgangsspannung zur Verfügung stellt um direkt das Icom-Gerät mit „Electret-Eingang“ zu betreiben. In meinem Fall möchte ich das Mike gleichzeitig an beiden Funkgeräten betreiben, also parallel ohne Umstecken zu müssen. Gegenseitige Beeinflussung muss ausgeschlossen werden. Dazu habe ich eine bewährte Schaltung mit Trenn-Übertrager 1:1 entworfen.
Die Übertrager werden z.T. 10 Stückweise bei ebay günstig angeboten und sind für diesen Zweck hervorragend geeignet. Auch mit der geräteeigenen PTT vom M1 sollten beide Funkgeräte wahlweise betrieben werden können. Dazu wurde eine potential getrennte Umschaltmöglichkeit mittels Optokoppler realisiert. Alles sehr übersichtlich und nur mit geringem Aufwand. Da das Yaesu M1 mit 5Volt von einem „USB-Netzteil“ betrieben wird, wird diese Stromversorgung auch gleichzeitig zur Versorgung der zusätzlichen Elektronik benutzt. Der zusätzliche Strombedarf ist sehr gering und belastet das Yaesu M1 Netzteil so gut wie gar nicht. Beeinflussungen sind nicht zu erwarten und sind auch nicht festgestellt worden.
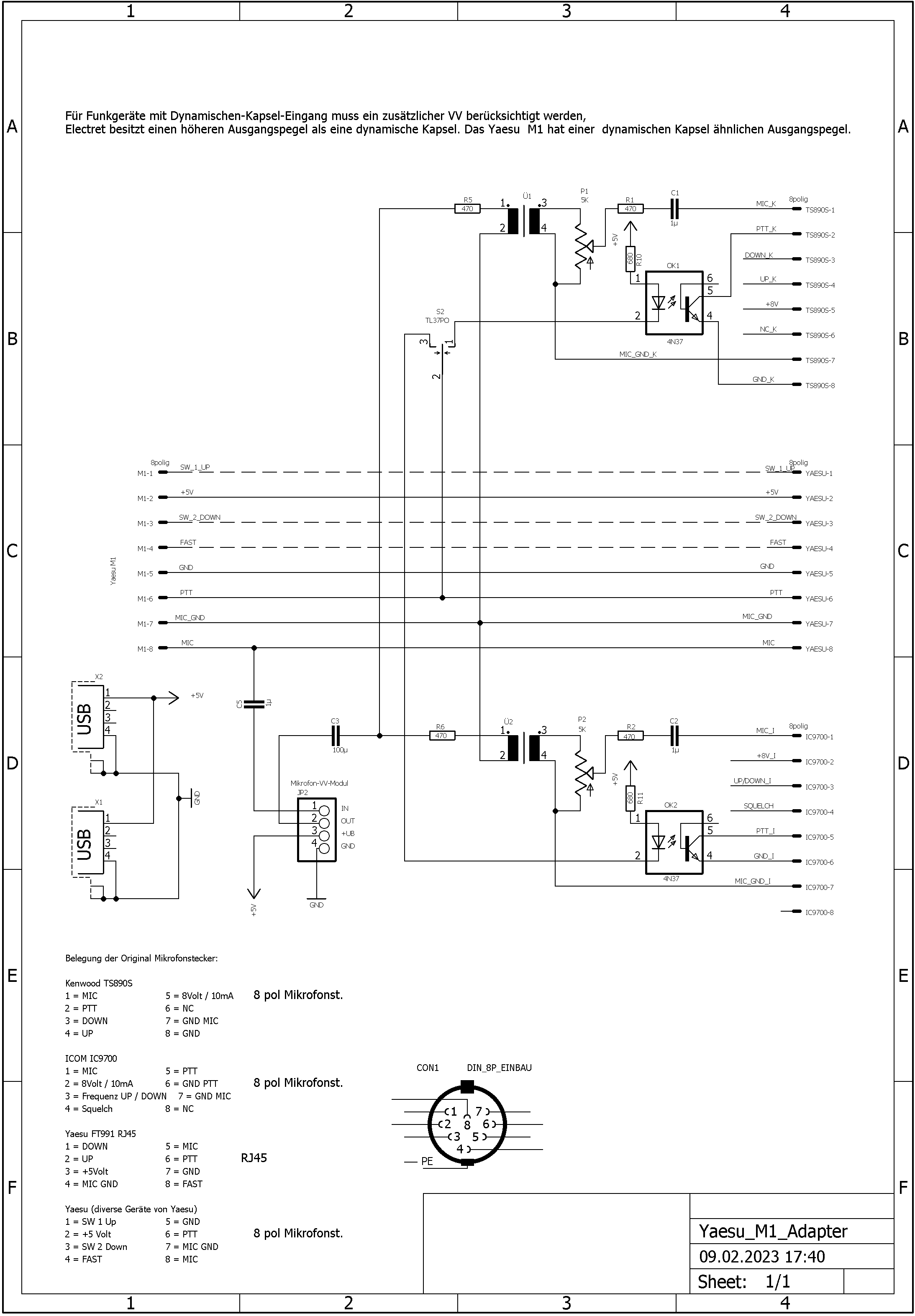
Nun zur Realisierung: Der Pegel von „Yaesu M1“ muss erst einmal mit einem Vorverstärker angehoben werden um dann das Signal auf 3 Übertrager zu verteilen. Es wurde ein fertiges Vorverstärker-Modul verwendet wie es zu geringen Stückpreisen bei Rastberry Projekten Anwendung findet. Das Modul hat sogar einen eigenen Pegelregler. Dieses Modul wird immer mit Electret-Kapsel geliefert, die muss ausgelötet werden und besitzt eine eigene Spannungsversorgung der Kapsel. Diese Versorgung muss durch Auslöten eines Widerstandes unterbrochen werden. Oder man schaltet einen Kondensator vor dem Modul. Ich habe mich für das Auslöten von R3 2 KΩ (siehe Bild) entschieden, verlangt aber eine ruhige Hand bei den winzigen Bauteilen auf der Platine. Auch der Ausgang des Moduls muss mit einem Kondensator abgeblockt werden. Das wird beim Kauf über ebay immer verschwiegen, dass der Ausgang genau auf der Hälfte der Betriebsspannung liegt, also auf 2,5 Volt. Außerdem besitzt das Modul eine Low-Frequenzabsenkung was den Betrieb für den Amateurfunk ideal macht. Das Modul darf nur mit 5 Volt betrieben werden.


Es wurde also jeweils ein Übertrager für Funkgeräte von Kenwood, Icom und Yaesu vorgesehen. Hinter den Übertragern liegen Trimmer um die unterschiedlichen Signalpegel an die einzelnen Funkgeräte an zu passen. Kondensatoren blocken die Gleichspannung ab, die bei Icom Geräten mit auf der Mikrofon-Signalleitung liegen. Die 3 Ausgänge sind auf 3 8 polige Stiftleisten abgeschlossen die jeweils genau mit der Pin-Belegung der Original 8 poligen Mikrofon-Buchsen der einzelnen Hersteller übereinstimmen. Man bekommt bei Reichelt fertige Stiftleisten mit Kabelstecker die für dieses Projekt ideal sind. Bestell-Nr. PS 25/8G WS. Durch Umstecken hat man sofort PIN kompatibel den richtigen Mikrofon-Anschluss zur Verfügung. Die PTT-Schaltung wurde bei mir nur für die Geräte von Kenwood und Icom realisiert. Der Stromlaufplan wurde bewusst minimalistisch gehalten und sollte nach eigenen Vorstellungen abgewandelt werden. Die 5 Volt Stromversorgung im Gerät, sollte zusätzlich mit Induktivitäten und Kondensatoren abgeblockt werden. Auf ein Platinenlayout wurde absichtlich verzichtet weil doch so oft persönliche Bedürfnisse einen abgewandelten Stromlaufplan erfordern.


Ein 8 poliges Mikrofonkabel zum Anschluss an den Transceiver, jede Ader einzeln abgeschirmt, sehr flexibel, gibt es bei Reichelt : ML 608-5 (5 Meter 6 adrig + Schirm) bzw. ML808-5 (5 Meter 8 adrig +Schirm).

So könnte es aussehen – unteres Gerät! Das obere Gerät ist eine andere Geschichte.